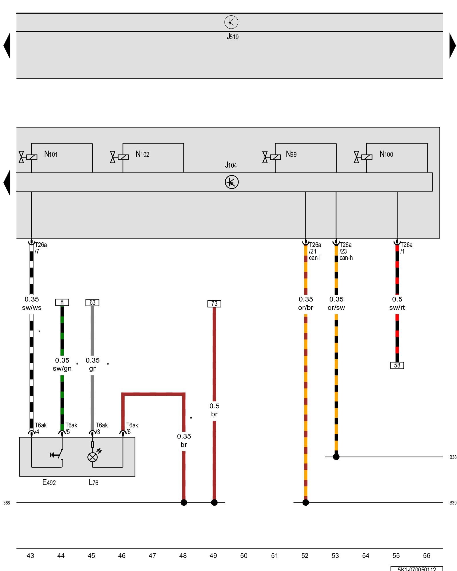
Diagram 70/5 (Tracks 43-56)
IMPORTANT NOTE:
This manufacturer uses "Track" style wiring diagrams.
For information on how to use these diagrams effectively, please refer to Diagram Information and Instructions. Diagram Information and Instructions
Tire pressure monitoring display button, ABS control module

ws = white
sw = black
ro = red
br = brown
gn = green
bl = blue
gr = grey
li = lilac
ge = yellow
or = orange
rs = pink
E492 - Tire pressure monitoring display button
J104 - ABS control module, in the engine compartment, right Control modules in front part of vehicle - Overview of Control Modules [1][2]Diagrams
J519 - Vehicle electrical system control module Control modules in front part of vehicle - Overview of Control Modules
L76 - Push button illumination bulb
N99 - Right front ABS inlet valve
N100 - Right front ABS outlet valve
N101 - Left front ABS inlet valve
N102 - Left front ABS outlet valve
T6ak - 6-pin connector
T26a - 26-pin connector
(388) - Ground connection 23 (in main wiring harness)
(B383) - Powertrain CAN bus high connection 1 (in main wiring harness)
(B390) - Powertrain CAN bus low connection 1 (in main wiring harness)
* - Only for vehicles with tire pressure monitoring
Previous Diagram 70/4 (Tracks 29-42)
Next Diagram 70/6 (Tracks 57-70)