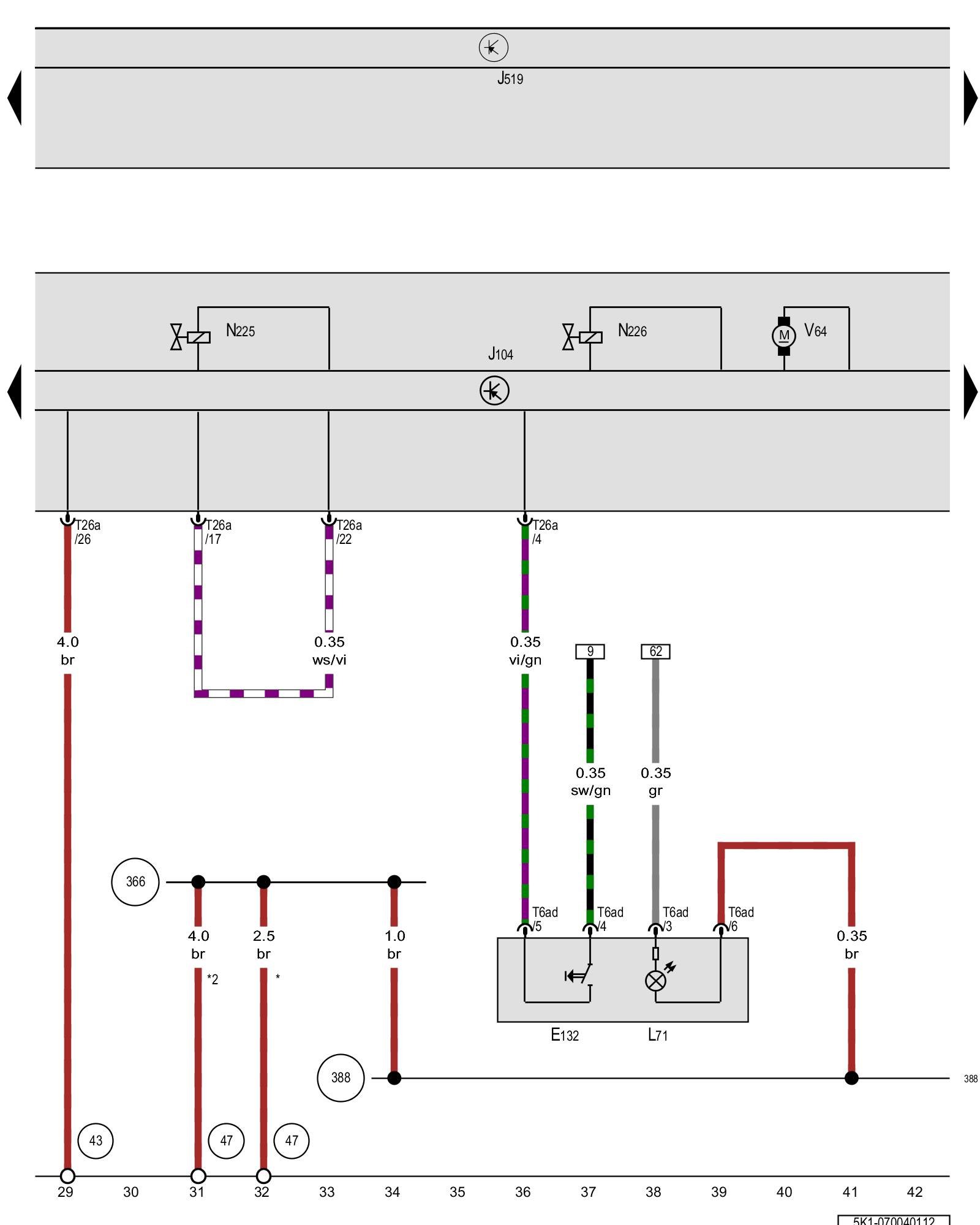
Diagram 70/4 (Tracks 29-42)
IMPORTANT NOTE:
This manufacturer uses "Track" style wiring diagrams.
For information on how to use these diagrams effectively, please refer to Diagram Information and Instructions. Diagram Information and Instructions
ASR switch, ABS control module

ws = white
sw = black
ro = red
br = brown
gn = green
bl = blue
gr = grey
li = lilac
ge = yellow
or = orange
rs = pink
E132 - ASR switch
J104 - ABS control module, in the engine compartment, right Control modules in front part of vehicle - Overview of Control Modules [1][2]Diagrams
J519 - Vehicle electrical system control module Control modules in front part of vehicle - Overview of Control Modules
L71 - ASR switch illumination bulb
N225 - Driving dynamics regulation switch valve 1
N226 - Driving dynamics regulation switch valve 2
T6ad - 6-pin connector
T26a - 26-pin connector
V64 - ABS hydraulic pump ABS Mark 70 (ABS/ASR)
(43) - Ground connection on A-pillar, lower right Overview Of Ground Connections in Interior
(47) - Ground connection in right front footwell Overview Of Ground Connections in Interior
(366) - Ground connection 1 (in main wiring harness)
(388) - Ground connection 23 (in main wiring harness)
* - Only for vehicles without Start/Stop system
*2 - Only for vehicles with Start/Stop system
Previous Diagram 70/3 (Tracks 15-28)
Next Diagram 70/5 (Tracks 43-56)