Operation CHARM: Car repair manuals for everyone.

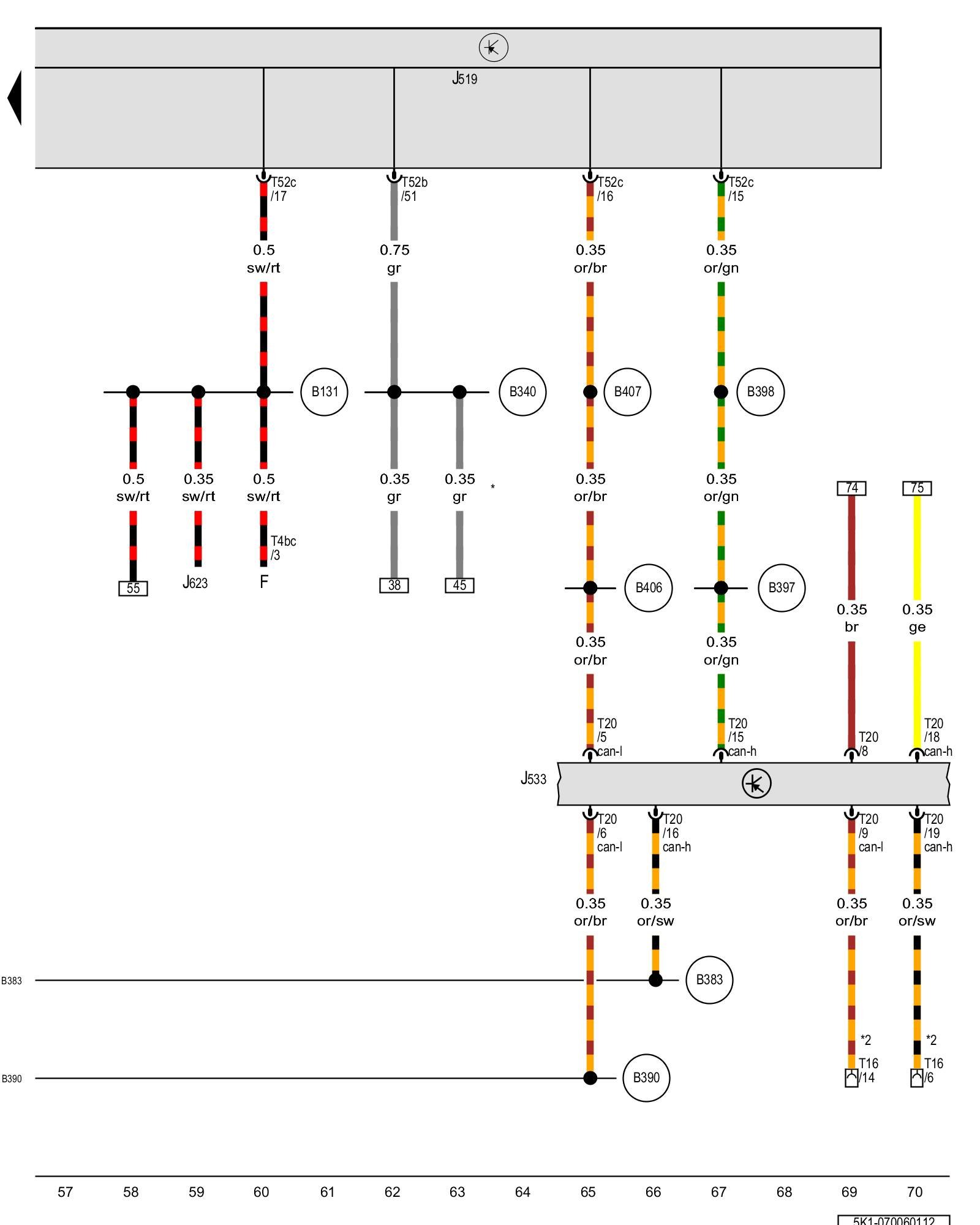
Diagram 70/6 (Tracks 57-70)






IMPORTANT NOTE:
This manufacturer uses "Track" style wiring diagrams.
For information on how to use these diagrams effectively, please refer to Diagram Information and Instructions. Diagram Information and Instructions


Data bus on board diagnostic interface





ws = white
sw = black
ro = red
br = brown
gn = green
bl = blue
gr = grey
li = lilac
ge = yellow
or = orange
rs = pink

F - Brake lamp switch ABS Mark 70 (ABS/ASR) [1][2]Brake Light Switch

J519 - Vehicle electrical system control module Control modules in front part of vehicle - Overview of Control Modules

J533 - Data bus on board diagnostic interface, in the left footwell, near the center console Control modules in front part of vehicle - Overview of Control Modules

J623 - Engine control module Control modules in front part of vehicle - Overview of Control Modules

T4bc - 4-pin connector

T16 - 16-pin connector

T20 - 20-pin connector

T52b - 52-pin connector

T52c - 52-pin connector

(B131) - Connection (54) (in interior wiring harness)

(B340) - Connection 1 (58d) (in main wiring harness)

(B383) - Powertrain CAN bus high connection 1 (in main wiring harness)

(B390) - Powertrain CAN bus low connection 1 (in main wiring harness)

(B397) - Comfort system CAN bus high connection 1 (in main wiring harness)

(B398) - Comfort system CAN bus high connection 2 (in main wiring harness)

(B406) - Comfort system CAN bus low connection 1 (in main wiring harness)

(B407) - Comfort system CAN bus low connection 2 (in main wiring harness)

* - Only for vehicles with tire pressure monitoring

*2 - Diagnostic connector

Previous Diagram 70/5 (Tracks 43-56)

Next Diagram 70/7 (Tracks 71-84)