Heater and A/C Unit Overview, Climatronic
Heater and A/C Unit Overview, Climatronic

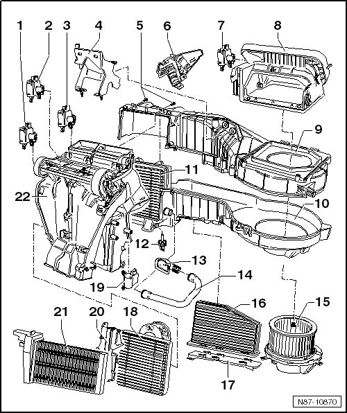
1 Front Air Distribution Door Motor (V426) With Front Air Distribution Door Motor Position Sensor (G642)
• Checking: use the vehicle diagnostic tester
• Removing and installing, refer to => [ Front Air Distribution Door Motor (V426) and Position Sensor (G642) ] Front Air Distribution Door Motor (V426) and Position Sensor (G642).
• Replacing: initiate basic setting using the vehicle diagnostic tester.
2 Left Temperature Door Motor (V158)
• Checking: use the vehicle diagnostic tester
• Removing and installing, refer to => [ Left Temperature Door Motor (V158) ] Left Temperature Door Motor (V158).
• Replacing: initiate basic setting using the vehicle diagnostic tester.
3 Defroster Door Motor (V107)
• Checking: use the vehicle diagnostic tester
• Removing and installing, refer to => [ Defroster Door Motor ] Defroster Door Motor (V107).
• Replacing: initiate basic setting using the vehicle diagnostic tester.
4 Bracket
5 Screws
• It is necessary to remove the screws in order to separate the bracket from the air distribution and evaporator housing.
6 Cover
7 Fresh Air/Recirculating Air/Back Pressure Door Motor (V425)
• Checking: use the vehicle diagnostic tester
• Removing and installing, refer to => [ Fresh Air/Recirculating Air/Back Pressure Door Motor (V425) ] Fresh Air/Recirculating Air/Back Pressure Door Motor (V425).
• Replacing: initiate basic setting using the vehicle diagnostic tester.
8 Air Intake Housing
• With recirculating air door
• With air flow door (Climatronic)
• Removing and installing, refer to => [ Air Intake Housing ] Air Intake Housing.
9 Evaporator Housing Upper Section
• Evaporator housing, disassembling and assembling, refer to => [ Evaporator Housing ] Overhaul.
10 Evaporator Housing Lower Section
• Evaporator housing, disassembling and assembling, refer to => [ Evaporator Housing ] Overhaul.
11 Evaporator
• Removing and installing, refer to => [ Evaporator ] Service and Repair.
12 Evaporator Temperature Sensor (G308) or Evaporator Vent Temperature Sensor (G263)
• Checking: use the vehicle diagnostic tester
• One or both of the component designations will appear, depending on software. The tasks are the same.
• Removing and installing, refer to => [ Evaporator Temperature Sensor (G308) or Evaporator Vent Temperature Sensor (G263) ] Service and Repair.
13 Connection For Glove Compartment Cooling
• Remove the glove compartment.
14 Cooling Hose For Glove Compartment Cooling
• Remove the glove compartment.
• Installation position of glove compartment cooling connection; refer to => [ Installation position of glove compartment
cooling connection ].
15 Fresh Air Blower (V2) with Fresh Air Blower Control Module (J126)
• Checking: use the vehicle diagnostic tester
• Fresh Air Blower (V2) , removing and installing, refer to => [ Fresh Air Blower (V2), Manual Controls ] Fresh Air Blower (V2), Manual Controls.
• Fresh Air Blower Control Module (J126) , removing and installing, refer to => [ Fresh Air Blower Control Module (J126) ] Fresh Air Blower Control Module (J126).
16 Dust and Pollen Filter
• With activated charcoal filter
• Removing and installing, refer to => [ Dust and Pollen Filter ] Service and Repair.
17 Cover
• For dust and pollen filter
18 Heater Core
• Removing and installing, refer to => [ Heater Core ] Service and Repair.
19 Right Temperature Door Motor (V159)
• Checking: use the vehicle diagnostic tester
• Removing and installing, refer to => [ Right Temperature Door Motor (V159) ] Right Temperature Door Motor (V159).
• Replacing: initiate basic setting using the vehicle diagnostic tester.
20 Heater Core Trim
21 Auxiliary Heater Heating Element (Z35)
• Only installed on vehicles with a diesel engine.
• Checking: using the vehicle diagnostic tester under Heating, Ventilation and Air Conditioning; OBD-Capable Systems; Auxiliary Heater; Electrical Components.
22 Air Distribution Housing
• Removing and installing, refer to => [ Air Distribution Housing ] Air Distribution Housing.
Installation position of glove compartment cooling connection

1 Connection
2 Valve