Air Distribution Housing
Air Distribution Housing
Removing

- Remove the heater and A/C unit. Refer to => [ Heater and A/C Unit ] Removal and Replacement.
- Disconnect any existing connectors on the air distribution housing.
- Remove the heater core along with the coolant pipes, refer to => [ Heater Core ] Service and Repair.
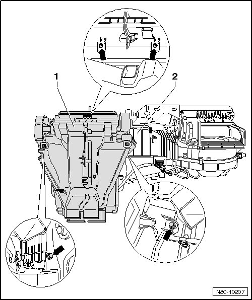
- Remove the bolts - arrows - (1.4 Nm).
- Remove the air distribution housing - 1 - from the heater - 2 -.
Installing
Install in reverse order of removal. When doing this, note the following:
Tightening specification for the screws - arrows -: (1.4) Nm.