Valvetrain Overview
Valvetrain Overview
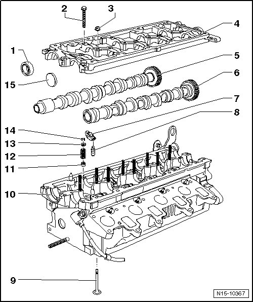
• Cylinder heads with cracks between the valve seats can continue to be used without reducing the service life, as long as the cracks have a Max. width of 0.5 mm.

1 Seal
• Do not lubricate or grease the sealing lip on the seal.
• Before installing, remove any remaining oil from the camshaft journal with a clean cloth.
• To install, tape over the groove on the camshaft taper.
• Removing and installing, refer to => [ Camshaft Seal ] Service and Repair.
2 Bolt
• 10 Nm
3 Nut
• 10 Nm
4 Bearing Frame
• Follow the loosening/tightening sequence. Refer to => [ Camshaft ] Service and Repair.
• Seal using silicone sealant (D 176 501 A1).
5 Exhaust Camshaft
6 Intake Camshaft
7 Roller Rocker Arm
• Mark the installed position.
• Do not interchange.
• Check the roller for easy movement.
• Lubricate the contact surface.
8 Hydraulic Lash Adjuster
• Mark the installed position.
• Lubricate the running surfaces before installing.
9 Valve
• Do not grind, only hand lapping is permitted.
• Mark the installed position for installation later.
• Valve dimensions, refer to => [ Valve Dimensions ] [1][2]Specifications.
• Checking the valve guides, refer to => [ Valve Guide, Checking ] Testing and Inspection.
10 Cylinder Head
• See the note in the => [ Cylinder Head Overview ] Cylinder Head Overview.
• Removing and installing, refer to => [ Cylinder Head ] Cylinder Head.
11 Valve Stem Seal
12 Valve Spring
13 Valve Spring Retainer
14 Valve Retainer
15 Sealing Cap
• Always replace.