Cylinder Head Overview
Cylinder Head Overview
• Only remove the plastic protectors installed to protect the open valves immediately before installing the cylinder head.
• If the cylinder head is going to be replaced, then it is also necessary to replace all the coolant.

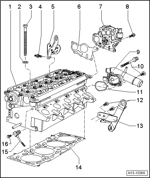
1 Cylinder Head
• Removing and installing, refer to => [ Cylinder Head ] Cylinder Head.
• After replacing, replace the entire amount of coolant.
2 Washer
• For the cylinder head bolts
3 Bolt
• Follow the sequence for loosening and tightening, refer to => [ Cylinder Head ] Cylinder Head.
• Place the washers - item 2 - onto the cylinder head before installing.
4 Bolt
• 25 Nm
5 Lifting Eye
6 Gasket
• Always replace.
7 Vacuum Pump
• Removing and installing, refer to => [ Vacuum Pump ] Service and Repair.
8 Bolt
• 10 Nm
9 Flange
10 Bolt
• 10 Nm
11 Seal
• Always replace.
12 Bolt
• 25 Nm
13 Lifting Eye
14 Cylinder Head Gasket
• Always replace.
• Observe the identification, refer to => [ Cylinder Head Gasket Identification ] Testing and Inspection.
• After replacing, replace the entire amount of coolant.
15 Camshaft Position Sensor (G40)
• For camshaft position.
16 Bolt
• 10 Nm
Checking the Cylinder Head for Distortion

Special tools, testers and auxiliary items required
• Straight Edge 500 mm (VAS 6075)
• Feeler Gauge
Max. permissible distortion: 0.1 mm
• Remanufacturing diesel cylinder heads is not permitted.