Hydraulic Unit and Brake Booster/Master Cylinder Overview
Hydraulic Unit and Brake Booster/Master Cylinder Overview

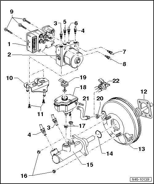
1 ABS Control Module (J104)
• With Electronic Differential Lock (EDL).
• Removing and installing, refer to => [ Control Module and Hydraulic Unit, with ABS Mark 70 (ABS/ASR) ] Control Module and Hydraulic Unit, with ABS Mark 70 (ABS/ASR).
2 ABS Hydraulic Unit (N55)
• Removing and installing, refer to => [ Control Module and Hydraulic Unit, with ABS Mark 70 (ABS/ASR) ] Control Module and Hydraulic Unit, with ABS Mark 70 (ABS/ASR).
3 Brake Line
• Master cylinder to the primary piston circuit in the hydraulic control unit.
• Identification: Fitting with M10 x 1 threads.
4 Brake Line
• Master cylinder to the secondary piston circuit in the hydraulic control unit.
• Identification: Fitting with M12 x 1 threads.
5 Brake Line
• To the left front brake caliper.
• Identification: Fitting with M12 x 1 threads.
6 Brake Line
• To the right front brake caliper.
• Identification: Fitting with M10 x 1 threads.
7 Brake Line
• To the left rear brake caliper.
• Identification: Fitting with M12 x 1 threads.
8 Brake Line
• To the right rear brake caliper.
• Identification: Fitting with M10 x 1 threads.
9 Inner TORX(R) Bolt
• 5.5 Nm
• Use new bolts.
10 Bracket
11 Bolt
• 8 Nm
12 Gasket
• For the brake booster.
13 Brake Booster
• Overview, refer to => [ Brake Booster and Master Cylinder Overview ] Brake Booster and Master Cylinder Overview.
• Removing and installing, refer to => [ Brake Booster ] Brake Booster.
14 Seal
15 Brake Master Cylinder
• Allocation, refer to the Parts Catalog.
• Cannot be serviced. Replace as a complete unit if malfunctioning.
• Removing and installing, refer to => [ Master Cylinder ] Master Cylinder.
16 Nut
• 25 Nm
• Always replace if removed.
17 Plug
• Lubricate with brake fluid and press into the brake fluid reservoir.
18 Brake Fluid Reservoir
19 Cap
20 Grommet
• Connection for the vacuum hose.
21 Vacuum Hose
• Inserts into the brake booster.
22 Vacuum Sensor (G608)
• On vehicles with a hydraulic brake booster.
• Removing and installing, refer to => [ Vacuum Sensor G608 ] Vacuum Sensor G608.