Control Module and Hydraulic Unit, with ABS Mark 70 (ABS/ASR)
Control Module and Hydraulic Unit, with ABS Mark 70 (ABS/ASR)
Special tools, testers and auxiliary items required
• Torque Wrench (5-50 Nm) (V.A.G 1331)
• Torque Wrench (V.A.G 1410)
• Brake Pedal Actuator (V.A.G 1869/2)
Sealing Plugs from Repair Kit 1H0 698 311 A

After separating the control module from the hydraulic unit, the transport protection for the valve body must be placed on the hydraulic unit.
Warranties will not be granted for hydraulic units without transport protection.
1 Transport protection for valve domes (foam)
2 Sealing plug M10
3 Sealing plug M1 2
Removing
Component Location:
The control module is bolted to the hydraulic unit and is located on the right side of the engine compartment.
Do not bend the brake lines near the hydraulic unit.
- Read and note the present control module coding.
- On vehicles with a coded radio, note the code. Retrieve it if necessary.
- Disconnect the battery.
- Remove the engine cover.
Diesel Engines with a Particulate Filter
- Remove the plenum chamber cover.
- Remove the plenum chamber bulkhead.
- Remove the exhaust pressure sensor 1, disconnect the electrical connector, unscrew the particulate filter and lower it.
Continuation for All
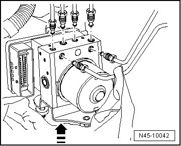
- Release the control module connector in the - direction of arrow 1 - and disconnect it in the - direction of arrow 2 -.

- Insert the brake pedal actuator (V.A.G 1869/2).
- Attach the bleed hose from the bleeder bottles to the left front and left rear brake caliper bleed valves and open the valves.
- Press the brake pedal using the brake pedal actuator (V.A.G 1869/2) at least 60 mm.
- Close the left front and left rear bleed valves.
- Do not remove the brake pedal actuator (V.A.G 1869/2).
- Place sufficient lint free cloths under the control module and hydraulic unit.
Make sure that the brake fluid does not come in contact with the terminals.
- First, mark both brake lines from the master cylinder - A and B - and remove them from the hydraulic unit.

- Seal off the brake lines and the threaded holes right away with the plugs from the repair kit 1H0 698 311 A.
- Mark the brake lines (to the brake calipers) - 1 through 4 -, unscrew and seal them.
- Pull the hydraulic unit with control module upward out of rubber bushings.

Control Module, Removing from the Hydraulic Unit
- Set the hydraulic unit with control module upward onto a clean, level surface.
- Remove the inner TORX(R) bolts - arrows -.

- Pull the control module off from the hydraulic unit - arrow - without tilting it.

- Carefully pull off all the seals from the valve domes on the hydraulic unit.
• On a disconnected control module, the circuit board is laid open.
• Do not let humidity or dirt get into the inside of the control module.
• The hydraulic pump must not be separated from the hydraulic unit.
• Avoid buildup of static electricity!
- Cover the control module magnetic coils with a lint free cloth.
After separating the control module and hydraulic unit, use transport protection for the valve body.
New Control Module, Installing
Excessive shaking (for example, dropping or impact) may destroy the control module. The control module must then no longer be used.
• The surface must be cleaned before assembling.
- Slide all seals - A - slightly over the valve domes.

- Place the control module without tilting it onto the hydraulic unit.
The seals are then brought into their end position.
- Bolt the hydraulic unit to the control module with the new inner TORX(R) bolts supplied.
• A new control module may be installed a MAX. of two times to a used hydraulic unit, to ensure that the elastic gasket seals sufficiently.
• Do not install a used control module.
Control Module and Hydraulic Unit, Installing
• Do not remove the plugs from the new hydraulic unit until the corresponding brake line is about to be installed.
• If the plugs are removed too early, brake fluid can escape and the unit may not be sufficiently filled or adequately bled.
• When installing, make sure that the rubber bushings are not pressed out of the bracket.
- Install in the reverse order of removal.
- Remove the brake pedal actuator (V.A.G 1869/2).
- Bleed the brake system. Refer to => [ Brake System, Bleeding ] Service and Repair.
- Enter the radio code.
- Code the Anti-lock Brake System (ABS) control module using "Guided Fault Finding" in the vehicle diagnostic tester.
