Operation CHARM: Car repair manuals for everyone.

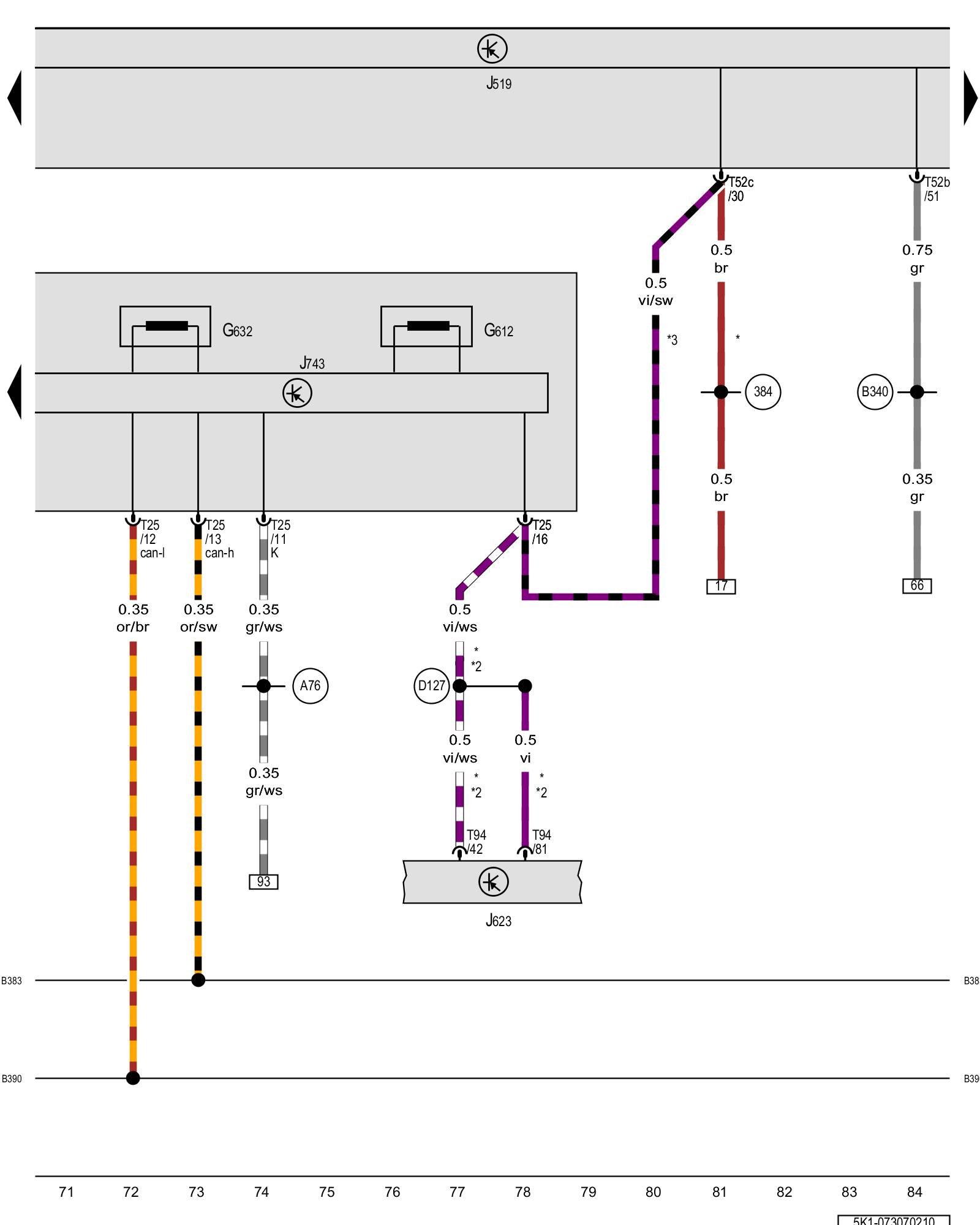
Diagram 73/7 (Tracks 71-84)






IMPORTANT NOTE:
This manufacturer uses "Track" style wiring diagrams.
For information on how to use these diagrams effectively, please refer to Diagram Information and Instructions. Diagram Information and Instructions


Transmission input speed sensor 2, Transmission input speed sensor 1, DSG transmission Mechatronic





ws = white
sw = black
ro = red
br = brown
gn = green
bl = blue
gr = grey
li = lilac
ge = yellow
or = orange
rs = pink

G612 - Transmission input speed sensor 2

G632 - Transmission input speed sensor 1

J519 - Vehicle electrical system control module Control modules in front part of vehicle - Overview of Control Modules

J623 - Engine control module Control modules in front part of vehicle - Overview of Control Modules

J743 - DSG transmission Mechatronic, in the transmission Direct Shift Gearbox (DSG) Connector Views

T25 - 25-pin connector

T52b - 52-pin connector

T52c - 52-pin connector

T94 - 94-pin connector

(384) - Ground connection 19 (in main wiring harness)

(A76) - K-diagnostic lead connection (in instrument panel wiring harness)

(B340) - Connection 1 (58d) (in main wiring harness)

(B383) - Powertrain CAN bus high connection 1 (in main wiring harness)

(B390) - Powertrain CAN bus low connection 1 (in main wiring harness)

(D127) - Connection (25) (in engine compartment wiring harness)

* - Only for vehicles with Start/Stop system

*2 - Only for vehicles with diesel engines

*3 - Only for vehicles without Start/Stop system

Previous Diagram 73/6 (Tracks 57-70)

Next Diagram 73/8 (Tracks 85-98)