Direct Shift Gearbox (DSG)
Transmission Systems
Direct Shift Gearbox (DSG)

1 - Direct Shift Gearbox (DSG) Mechatronic -J743-
• Location View : => [ Valve Body ]
2 - Transmission Input Speed (RPM) Sensor -G182- and Clutch Oil Temperature Sensor -G509-
• Location View : => [ and ]
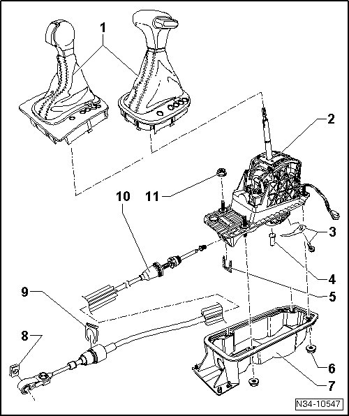
3 - Selector Lever -E313-
• The Selector Lever Sensor System Control Module -J587- , Shift Lock Solenoid -N110- and Selector Lever Park Position Lock Switch -F319- are located at the selector lever and selector mechanism
• Location View : => [ Selector Mechanism Assembly ]
Valve Body

Direct Shift Gearbox (DSG) Mechatronic -J743- is integrated onto the Direct Shift Gearbox (DSG)
The following are secured to the valve body or integrated to the Direct Shift Gearbox (DSG) Mechatronic -J743-
• Automatic Transmission Pressure Regulating Valve 1 -N215-
• Automatic Transmission Pressure Regulating Valve 2 -N216-
• Automatic Transmission Pressure Regulating Valve 3 -N217-
• Automatic Transmission Pressure Regulating Valve 4 -N218-
• Automatic Transmission Pressure Regulating Valve 5 -N233-
• Automatic Transmission Pressure Regulating Valve 6 -N371-
• Solenoid Valve 1 -N88-
• Solenoid Valve 2 -N89-
• Solenoid Valve 3 -N90-
• Solenoid Valve 4 -N91-
• Solenoid Valve 5 -N92-
• Temperature Sensor (in Control Module) -G510-
• Automatic Transmission Hydraulic Pressure Sensor 1 -G193-
• Automatic Transmission Hydraulic Pressure Sensor 2 -G194-
• Transmission Output Speed (RPM) Sensor -G195-
• Transmission Output Speed (RPM) Sensor 2 -G196-
• Gear Position Distance Sensor 1 -G487-
• Gear Position Distance Sensor 2 -G488-
• Gear Position Distance Sensor 3 -G489-
• Gear Position Distance Sensor 4 -G490-
• Driveshaft Speed Sensor 1 -G501-
• Driveshaft Speed Sensor 2 -G502-
• Transmission Fluid Temperature Sensor -G93-
• Back-Up Light Switch -F4-
Transmission Input Speed (RPM) Sensor -G182- and Clutch Oil Temperature Sensor -G509-

Both sensors are integrated and are located near the multi plate clutch
Selector Mechanism Assembly

2 - Selector Lever and Selector Mechanism
• The selector assembly contains the following items:
• Selector Lever Sensor System Control Module -J587-
• Selector Lever -E313-
• Shift Lock Solenoid -N110-
• Selector Lever Park Position Lock Switch -F319-