Evaporative Emissions System: Service and Repair
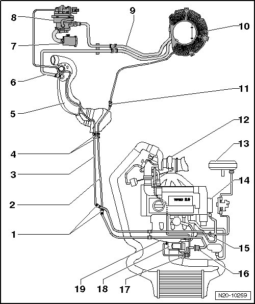
EVAP System Schematic Overview
• Hose connections are secured with either spring type or clamp type clamps.
• Hose clip pliers (VAS 6340) or (VAS 6362) are recommended for installing space saving clamps.
The connectors for the fuel, vacuum and ventilation lines are color coded. There is either a colored dot on the connector or the release button is the corresponding color.


1 Separating Point
• In the front of the engine compartment on the right side, under the coolant expansion tank.
2 Vent Line
• White
• From the Evaporative Emission (EVAP) canister to the EVAP canister purge regulator valve 1.
• Installed position: On the right side of the underbody.
• Attached to the fuel tank.
3 Vent Line
• Green
• From the engine to the leak detection pump.
• Installed position: On the right side of the underbody.
• Attached to the fuel tank.
4 Separating Point
• In front of the fuel tank on the right side, near the fuel filter.
5 Fuel Filler Tube
6 Vent Line
• From the filler tube to the EVAP canister.
7 Air Filter Housing
• For the leak detection pump.
8 Leak Detection Pump (V144)
• Installed location: Under the right rear wheel housing liner.
• Removing and installing, refer to => [ Leak Detection Pump V144 ] Service and Repair.
• Checking the fuel system for leaks. Refer to => [ Fuel System, Checking for Leaks ] Testing and Inspection.
9 Connecting Line
• From the leak detection pump to the EVAP canister.
• Attached to the bracket.
10 EVAP Canister
• Installed location: On the bottom of the spare tire wheel well.
• Removing and installing, refer to => [ EVAP Canister ] Service and Repair.
11 Separating Point
• On the rear of the fuel tank, on the right side.
12 Turbocharger
13 Brake Booster
14 Vacuum Pump
15 Check Valve
• Installed position: The arrow points in the direction of flow.
16 EVAP Canister Purge Regulator Valve 1 (N80)
• Checking, refer to the vehicle diagnostic tester.
17 Check Valve
• Allocations for differing versions the Parts Catalog.
18 Throttle Valve Control Module (J338)
• Removing and installing, refer to => [ Throttle Valve Control Module J338 ] Removal and Replacement.
19 Intake Manifold