Fuel Delivery and Air Induction: Testing and Inspection
Fuel System, Checking for Leaks
=> [ Fuel System Leak Test ]
=> [ EVAP System Function Overview ]
=> [ Leak Detection Pump Vacuum Supply, Checking ]
Special tools, testers and auxiliary items required
• Evaporative Emissions Tester (KLI 9210)
• Adapter for EVAP. Tester (KLI 9210/55-1)
• Vehicle Diagnostic Tester
• Hose Clamps Up to 25 mm Dia. (3094)
The connectors for the fuel, vacuum and ventilation lines are color coded. There is either a colored dot on the connector or the release button is the corresponding color.

Conditions
• The leak detection pump detected a leak.
• Perform "Guided Fault Finding" using the vehicle diagnostic tester.
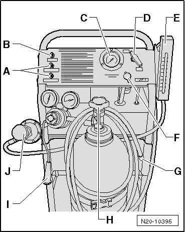
Evaporative Emissions Tester (KLI 9210) Preparation
• Depending on the version, the appearance of the evaporative emissions tester (KLI 9210) may vary.
- Check the evaporative emissions tester (KLI 9210) to determine whether there is enough fluid in the smoke generator.
- Set valve - D - to "Hold".

- Open the nitrogen bottle - H -.
- Connect the measuring hose - G - to the self-test connection - B -.
- Set valve - D - to "Test".
- Using the pressure reducer - J -, adjust the pressure to 10 in. H2O (25 mbar).
- Set valve - D - to "Hold".
- The pressure must now be maintained a minimum of 2 minutes. If the pressure is not maintained, check the tester.
Fuel System, Checking for Leaks
- Connect the adapter for EVAP. tester (KLI 9210/55-1) to the ventilation line - A - as shown. (Color identification: white).

- Connect the measuring hose - G - from the evaporative emissions tester (KLI 9210) to the adapter for EVAP. tester (KLI 9210/55-1).

- Set valve - D - to "Hold".
- Connect the vehicle diagnostic tester - 1 - to the vehicle.

- Start the engine and run at idle speed.
- Select Guided Functions on the vehicle diagnostic tester.
- Select "Check tank ventilation system for leaks".
- Start the test.
- While the test runs, observe the pressure gauge on the evaporative emissions tester (KLI 9210).
• The leak detection pump must pump the fuel system up to a minimum of 7 in. H2O (18 mbar).
If the minimum pressure is not reached, but the pressure reached does not decrease:
- Turn the ignition off and perform a pressure retention test. If no decrease in pressure is observed: Check the leak detection pump vacuum supply. Refer to => [ Leak Detection Pump Vacuum Supply, Checking ].
If the minimum pressure is not reached and the pressure reached decreases immediately:
- Clamp off the hose to the EVAP canister purge regulator valve 1 using a hose clamp up to 25 mm dia. (3094) - arrow -.

- Repeat the test. If the minimum pressure is not reached: Replace the EVAP canister purge regulator valve 1.
If the minimum pressure is not reached again and the pressure reached decreases immediately:
- There is a leak in the fuel system: Perform the "Fuel System Leak Test". Refer to => [ Fuel System Leak Test ].
If the minimum pressure is reached, turn off the ignition.
The valve in the leak detection pump is now closed and the pressure is maintained.
- Observe the pressure gauge:
If the pressure does not decrease, perform a pressure retention test to locate any possible pinhole leaks.
If the pressure decreased, clamp off the hose to the EVAP canister purge regulator valve 1 using a hose clamp up to 25 mm dia. (3094) - arrow -.

- If the pressure now no longer falls, replace the EVAP canister purge regulator valve 1.
If the pressure still decreases, perform the "Fuel System Leak Test". Refer to => [ Fuel System Leak Test ].
Pressure Retention Test
- Set valve - D - to "Test". Increase the current pressure until it reaches 10 in. H2O (25 mbar).

- Observe the pressure gauge - C - and flow meter - E -. If the flow quantity decreases and the pressure increases to 10 in. H2O, then the fuel system is full.
• Depending on the level in the fuel tank, this procedure may take up to 3 minutes.
- After the pressure has stabilized, set valve - D - to "Hold".
• After 5 minutes the pressure must not drop below 8 in. H2O (20 mbar).
If the pressure is not maintained for 5 minutes, the leak should be localized as follows:
- First, check the EVAP canister purge regulator valve 1 for leaks. Clamp off the hose to the EVAP canister purge regulator valve 1 using a hose clamp up to 25 mm dia. (3094) - arrow -.

- Repeat the pressure test by resetting valve - D - to "Test".

- Observe the pressure gauge - C - and flow meter - E -. If the flow quantity decreases and the pressure increases to 10 in. H2O, then the fuel system is full.
- After the pressure has stabilized, set valve - D - to "Hold".
- If the pressure now no longer falls, replace the EVAP canister purge regulator valve 1.
If the pressure still decreases, perform the "Fuel System Leak Test". Refer to => [ Fuel System Leak Test ].
After completing the work, perform the "Check tank ventilation system for leaks" guided function using the vehicle diagnostic tester.
Fuel System Leak Test
Conditions
• The procedure, "Fuel System, Checking for Leaks" was performed.
• The evaporative emissions tester (KLI 9210) and the adapter for EVAP. tester (KLI 9210/55-1) are connected to the vehicle

- Connect the evaporative emissions tester (KLI 9210) to the vehicles battery.
- Remove the right rear wheel housing liner.
- Clamp off the hose - arrow - between the leak detection pump and air filter housing using a hose clamp up to 25 mm dia. (3094).
Eos

GTI

- Set valve - D - to "Test".

- Observe the pressure gauge - C - and flow meter - E -. If the flow quantity decreases and pressure increases to 10 in. H2O, then the fuel system is full.
- After the pressure has stabilized, set valve - D - to "Hold".
• After 5 minutes the pressure must not drop below 8 in. H2O (20 mbar).
- If the pressure no longer decreases, replace the leak detection pump.
If the pressure is not maintained for a minimum of 5 minutes or if no pressure is built up, localize the leak as follows:
- Fill the fuel system with smoke by setting valve - D - to "Test".
- While the fuel system is being filled, press the smoke generator button - I - for approximately one minute.
The fuel system is now under pressure and being filled with smoke.
- Check all fuel system lines and hoses for leaking smoke. Also check the fuel filler tube cap.
• Illuminate components and hoses with a strong flood light, the smoke will be more visible.
• To check for leaks at accessible locations, also use a ultrasonic measuring device or a commercially available leak detection spray.
• Depending on how long the fault finding lasts, the smoke generator button may need to be pressed again. This ensures there is enough smoke present in the fuel system.
• To check the fuel pump and fuel filter flange, the assembly openings in the vehicles interior must be opened.
- Replace any leaking hoses or components.
After completing the work, perform the "Check tank ventilation system for leaks" guided function using the vehicle diagnostic tester.
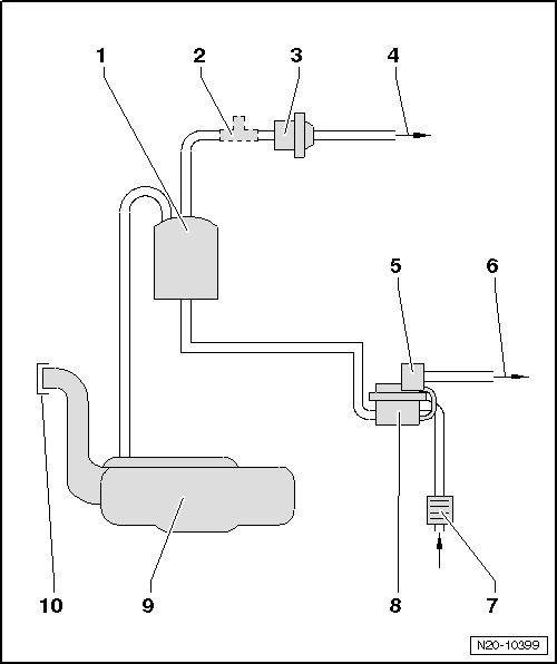
EVAP System Function Overview

1 Evaporative Emission (EVAP) Canister
2 Adapter for EVAP. Tester (KLI 9210/55-1) Installed Position
• Used during the fuel system leak test.
3 EVAP Canister Purge Regulator Valve 1 (N80)
4 Vent Line
• to the throttle valve control module.
5 Solenoid Valve
• For the leak detection pump.
6 Vacuum Line
• To the intake manifold.
7 Air Filter Housing
• For the leak detection pump.
8 Leak Detection Pump (V144)
9 Fuel Tank
10 Cap
Leak Detection Pump Vacuum Supply, Checking
Special tools, testers and auxiliary items required
• Turbocharger Tester (V.A.G 1397 A)
• T-Connection (251 201 346)
• 6 mm Diameter Hose
• Leak detection pump installed location:
• GTI : Under the right rear wheel housing liner.
• Eos: Behind the right rear wheel.
GTI
- Remove the right rear wheel and wheel housing liner.
- Disconnect the vacuum line - 1 - from the leak detection pump.

- Connect the turbocharger tester (V.A.G 1397 A) with a T-piece and 6 mm diameter hose between the vacuum line - 1 - and the leak detection pump - 2 -.
Eos
- Disconnect the vacuum line - 1 - from the leak detection pump.

- Connect the turbocharger tester (V.A.G 1397 A) with a T-piece and 6 mm diameter hose between the vacuum line - 1 - and the leak detection pump - 2 -.
Continuation for All
- Turn on measuring range I (absolute pressure measurement).
- Connect the vehicle diagnostic tester and start the engine.
- Select Guided Functions on the vehicle diagnostic tester.
- Select "Check tank ventilation system for leaks".
- Start the test.
- While the test is running, observe the display on the turbocharger tester (V.A.G 1397 A).
• The pressure must pulsate and must not rise above 0.700 bar (absolute pressure) during the test.
- If the pressure rises above 0.700 bar during the test, the vacuum supply is too low. Check the vacuum line to the intake manifold for kinks or blockages.