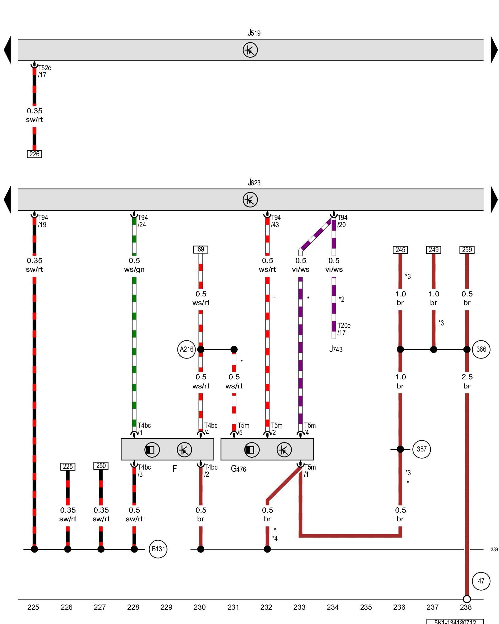
Diagram 134/18 (Tracks 225-238)
IMPORTANT NOTE:
This manufacturer uses "Track" style wiring diagrams.
For information on how to use these diagrams effectively, please refer to Diagram Information and Instructions. Diagram Information and Instructions
Brake lamp switch, Clutch position sensor, Vehicle electrical system control module, Engine control module

ws = white
sw = black
ro = red
br = brown
gn = green
bl = blue
gr = grey
li = lilac
ge = yellow
or = orange
rs = pink
F - Brake lamp switch ABS Mark 70 (ABS/ASR) [1][2]Brake Light Switch
G476 - Clutch position sensor Diagrams
J519 - Vehicle electrical system control module Control modules in front part of vehicle - Overview of Control Modules
J623 - Engine control module, in the center plenum chamber Control modules in front part of vehicle - Overview of Control Modules
J743 - DSG transmission Mechatronic Direct Shift Gearbox (DSG) Control modules in front part of vehicle - Overview of Control Modules Connector Views
T4bc - 4-pin connector
T5m - 5-pin connector
T20e - 20-pin connector
T52c - 52-pin connector
T94 - 94-pin connector
(47) - Ground connection in right front footwell Overview Of Ground Connections in Interior
(366) - Ground connection 1 (in main wiring harness)
(387) - Ground connection 22 (in main wiring harness)
(389) - Ground connection 24 (in main wiring harness)
(A216) - Positive connection 2 (87a) (in instrument panel wiring harness)
(B131) - Connection 54 (in interior wiring harness)
* - Only for vehicles with a manual transmission
*2 - Only for vehicles with DSG transmission
*3 - Only for right-hand drive vehicles
*4 - Only for left-hand drive vehicles
Previous Diagram 134/17 (Tracks 211-224)
Next Diagram 134/19 (Tracks 239-252)