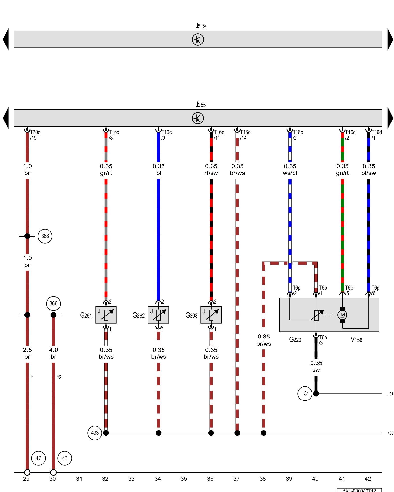
Diagram 80/4 (Tracks 29-42)
IMPORTANT NOTE:
This manufacturer uses "Track" style wiring diagrams.
For information on how to use these diagrams effectively, please refer to Diagram Information and Instructions. Diagram Information and Instructions
Climatronic control module, Left temperature door motor

ws = white
sw = black
ro = red
br = brown
gn = green
bl = blue
gr = grey
li = lilac
ge = yellow
or = orange
rs = pink
G220 - Left temperature door potentiometer/actuator Climatronic (Automatic Climate Control) A/C System w/ Automatic Control Overview Temperature Regulator Door Motor -V68- / Left Temperature Door Potentiometer /actuator -G220-
G261 - Left footwell vent temperature sensor Climatronic (Automatic Climate Control) A/C System w/ Automatic Control Overview Left Footwell Vent Temperature Sensor -G261-
G262 - Right footwell vent temperature sensor Climatronic (Automatic Climate Control) A/C System w/ Automatic Control Overview Right Footwell Vent Temperature Sensor -G262-
G308 - Evaporator temperature sensor Climatic (Manual Climate Control) A/C System w/ Manual Control Overview [1][2]Diagrams
J255 - Climatronic control module, behind the center console Climatronic (Automatic Climate Control) A/C System w/ Automatic Control Overview Climatronic (Automatic Climate Control) Control Module -J255-
J519 - Vehicle electrical system control module Control modules in front part of vehicle - Overview of Control Modules
T6p - 6-pin connector
T16c - 16-pin connector
T16d - 16-pin connector
T20c - 20-pin connector
V158 - Left temperature door motor Climatronic (Automatic Climate Control) A/C System w/ Automatic Control Overview Left Temperature Door Motor -V158- / Left Temperature Door Potentiometer /actuator -G220-
(47) - Ground connection in right front footwell Overview Of Ground Connections in Interior
(366) - Ground connection 1 (in main wiring harness)
(388) - Ground connection 23 (in main wiring harness)
(433) - Sensor ground connection 2 (in Climatronic wiring harness)
(L31) - Connection (5 Volt) (in A/C system wiring harness)
* - Only for vehicles without Start/Stop system
*2 - Only for vehicles with Start/Stop system
Previous Diagram 80/3 (Tracks 15-28)
Next Diagram 80/5 (Tracks 43-56)