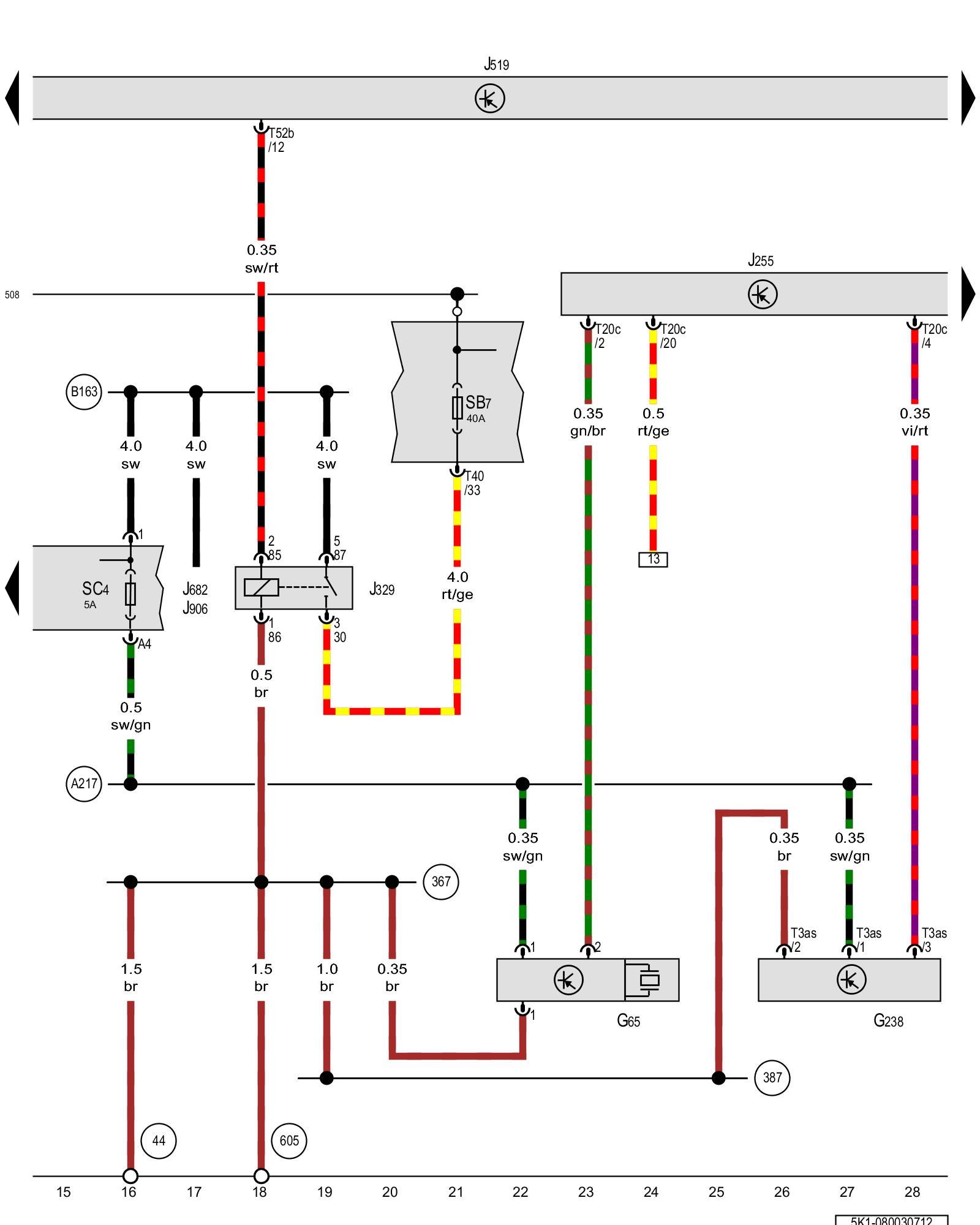
Diagram 80/3 (Tracks 15-28)
IMPORTANT NOTE:
This manufacturer uses "Track" style wiring diagrams.
For information on how to use these diagrams effectively, please refer to Diagram Information and Instructions. Diagram Information and Instructions
High pressure sensor, Air quality sensor, Climatronic control module, Terminal 15 power supply relay, Fuse 4 (on fuse panel C), Fuse 7 (on fuse panel B)

ws = white
sw = black
ro = red
br = brown
gn = green
bl = blue
gr = grey
li = lilac
ge = yellow
or = orange
rs = pink
G65 - High pressure sensor Locations Diagrams
G238 - Air quality sensor Locations [1][2]Climate Control Exhaust Gas Sensor
J255 - Climatronic control module, behind the center console Climatronic (Automatic Climate Control) A/C System w/ Automatic Control Overview Climatronic (Automatic Climate Control) Control Module -J255-
J329 - Terminal 15 power supply relay Overview Of Relay Carrier
J519 - Vehicle electrical system control module Control modules in front part of vehicle - Overview of Control Modules
J682 - Terminal 50 power supply relay Overview Of Relay Carrier
J906 - Starter relay 1 Overview Of Relay Carrier
SC4 - Fuse 4 (on fuse panel C) Fuse overview (SA), (SB), (SC)
SB7 - Fuse 7 (on fuse panel B) Fuse overview (SA), (SB), (SC)
T3as - 3-pin connector
T20c - 20-pin connector
T40 - 40-pin connector
T52b - 52-pin connector
(44) - Ground connection on A-pillar, lower left Overview Of Ground Connections in Interior
(367) - Ground connection 2 (in main wiring harness)
(387) - Ground connection 22 (in main wiring harness)
(508) - Terminal 30 threaded connection (on E-box)
(605) - Ground connection on upper steering column Overview Of Ground Connections in Interior
(A217) - Positive connection 8 (15a) (in instrument panel wiring harness)
(B163) - Positive connection 1 (15) (in interior wiring harness)
Previous Diagram 80/2 (Tracks 1-14)
Next Diagram 80/4 (Tracks 29-42)