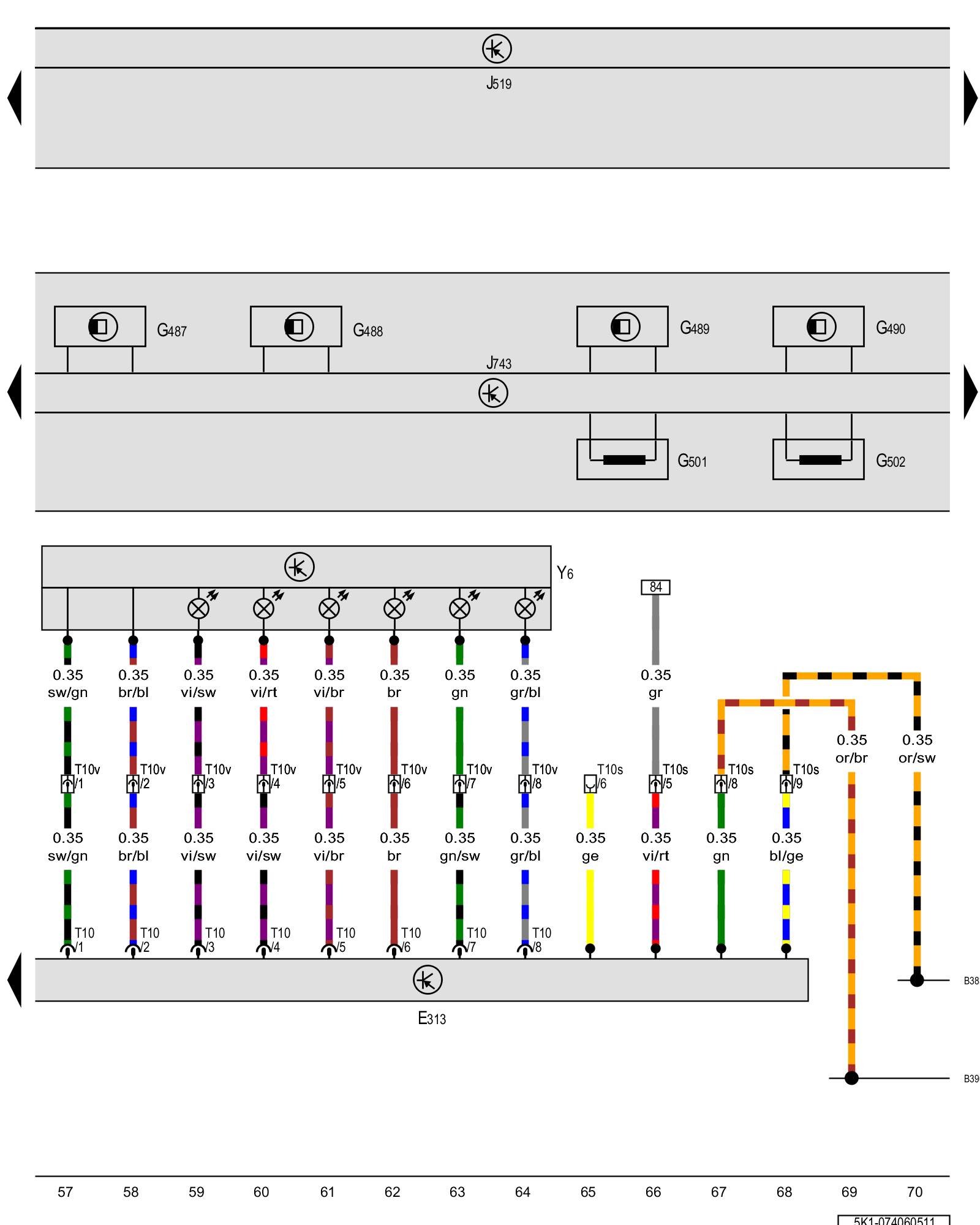
Diagram 74/6 (Tracks 57-70)
IMPORTANT NOTE:
This manufacturer uses "Track" style wiring diagrams.
For information on how to use these diagrams effectively, please refer to Diagram Information and Instructions. Diagram Information and Instructions
Selector lever, Gear position distance sensor 1, Gear position distance sensor 2, Gear position distance sensor 3, Gear position distance sensor 4, Driveshaft speed sensor 1, Driveshaft speed sensor 2, DSG transmission Mechatronic, Transmission range display

ws = white
sw = black
ro = red
br = brown
gn = green
bl = blue
gr = grey
li = lilac
ge = yellow
or = orange
rs = pink
E313 - Selector lever Tiptronic Switch -F189- / Selector Lever -E313- / Selector Lever Park Position Lock Switch -F319-
G487 - Gear position distance sensor 1
Direct Shift Gearbox (DSG)
G488 - Gear position distance sensor 2
Direct Shift Gearbox (DSG)
G489 - Gear position distance sensor 3
Direct Shift Gearbox (DSG)
G490 - Gear position distance sensor 4
Direct Shift Gearbox (DSG)
G501 - Driveshaft speed sensor 1
Direct Shift Gearbox (DSG)
G502 - Driveshaft speed sensor 2
Direct Shift Gearbox (DSG)
J519 - Vehicle electrical system control module Control modules in front part of vehicle - Overview of Control Modules
J743 - DSG transmission Mechatronic, in the transmission Direct Shift Gearbox (DSG) Connector Views
T10 - 10-pin connector
T10s - 10-pin connector, under the selector lever
T10v - 10-pin connector, under the selector lever
Y6 - Transmission range display
(B383) - Powertrain CAN bus high connection 1 (in main wiring harness)
(B390) - Powertrain CAN bus low connection 1 (in main wiring harness)
Previous Diagram 74/5 (Tracks 43-56)
Next Diagram 74/7 (Tracks 71-84)