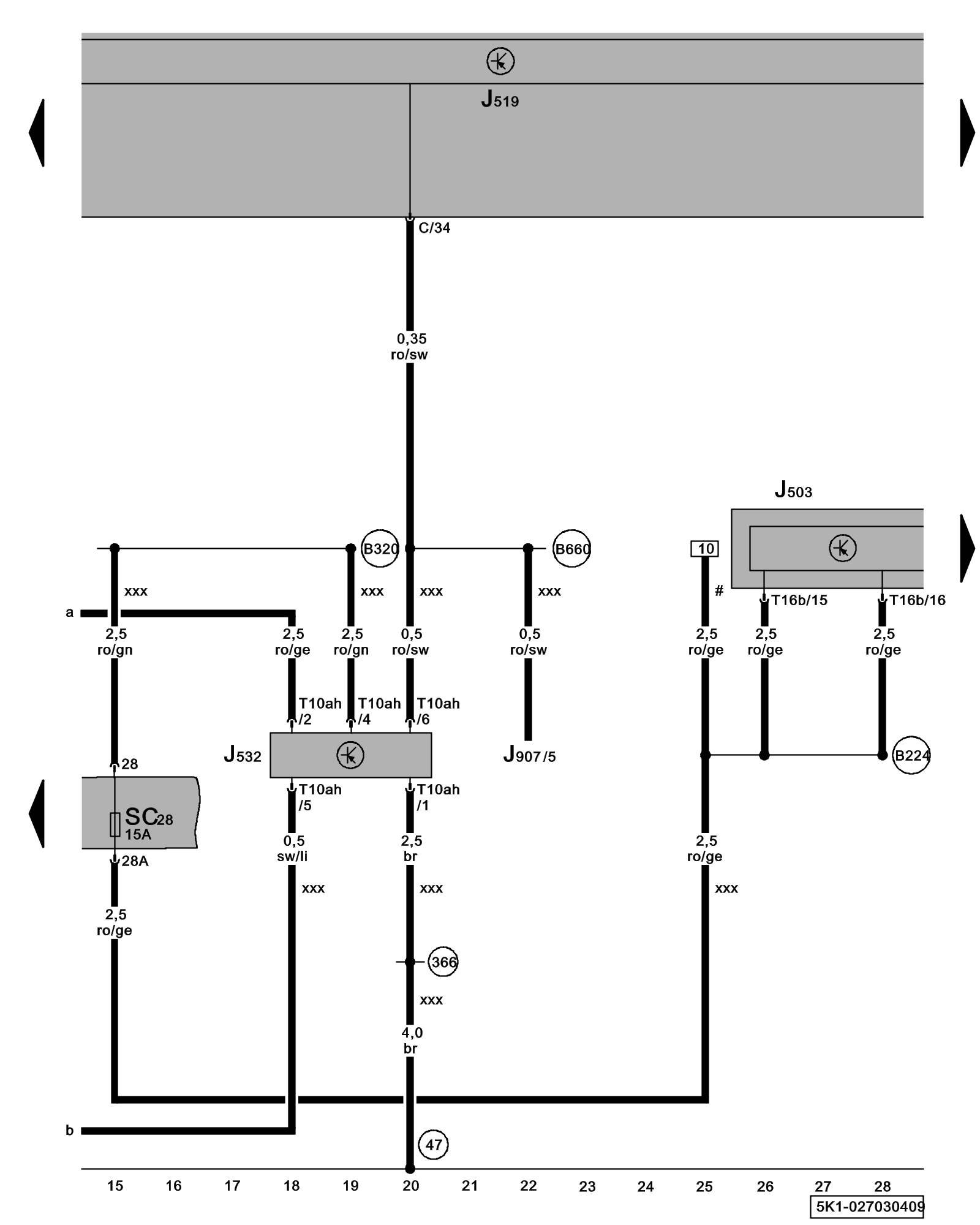
Diagram 27/3 (Tracks 15-28)
IMPORTANT NOTE:
This manufacturer uses "Track" style wiring diagrams.
For information on how to use these diagrams effectively, please refer to Diagram Information and Instructions. Diagram Information and Instructions
Radio/Navigation Display Control Module, Voltage Stabilizer

ws = white
sw = black
ro = red
br = brown
gn = green
bl = blue
gr = grey
li = lilac
ge = yellow
or = orange
rs = pink
J503 - Radio/Navigation Display Control Module
Locations
J519 - Vehicle Electrical System Control Module Control modules in front part of vehicle - Overview of Control Modules
J532 - Voltage Stabilizer
J907 - Starter Relay 2 Overview Of Relay Carrier
SC28 - Fuse 28 (on fuse panel C) Fuse overview (SA), (SB), (SC)
T10ah - 10-Pin Connector
T16b - 16-Pin Connector
(47) - Ground Connection (in front right footwell) Overview Of Ground Connections in Interior
(366) - Ground Connection 1 (in main wiring harness)
(B224) - Radio Connection 1 (in interior wiring harness)
(B320) - Plus Connection 6 (30a) (in main wiring harness)
(B660) - Connection (diagnostic, terminal 50) in main wiring harness
# - Only models without stop/start system
xxx - Only models with stop/start system
Previous Diagram 27/2 (Tracks 1-14)
Next Diagram 27/4 (Tracks 29-42)