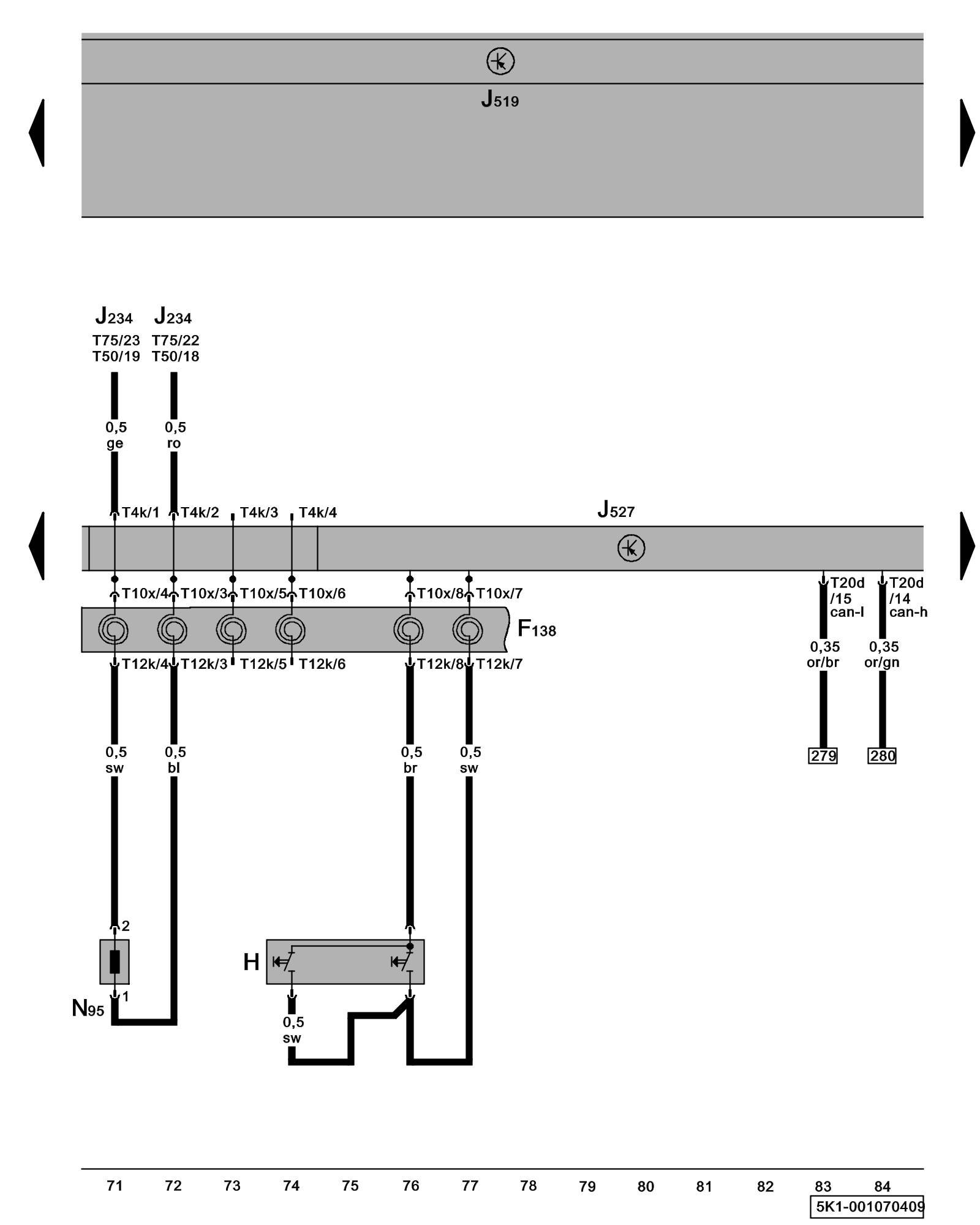
Diagram 1/7 (Tracks 71-84)
IMPORTANT NOTE:
This manufacturer uses "Track" style wiring diagrams.
For information on how to use these diagrams effectively, please refer to Diagram Information and Instructions. Diagram Information and Instructions
Steering Column Electronic Systems Control Module, Driver's Airbag Igniter, Signal Horn Activation

ws = white
sw = black
ro = red
br = brown
gn = green
bl = blue
gr = grey
li = lilac
ge = yellow
or = orange
rs = pink
F138 - Airbag Spiral Spring Airbag Systems Overview
H - Signal Horn Activation
J234 - Airbag Control Module Control modules in front part of vehicle - Overview of Control Modules
J519 - Vehicle Electrical System Control Module Control modules in front part of vehicle - Overview of Control Modules
J527 - Steering Column Electronic Systems Control Module Control modules in front part of vehicle - Overview of Control Modules
N95 - Driver's Airbag Igniter Airbag Systems Overview
T4k - 4-Pin Connector
T10x - 10-Pin Connector
T12k - 12-Pin Connector
T20d - 20-Pin Connector
T50 - 50-Pin Connector
T75 - 75-Pin Connector
Previous Diagram 1/6 (Tracks 57-70)
Next Diagram 1/8 (Tracks 85-98)