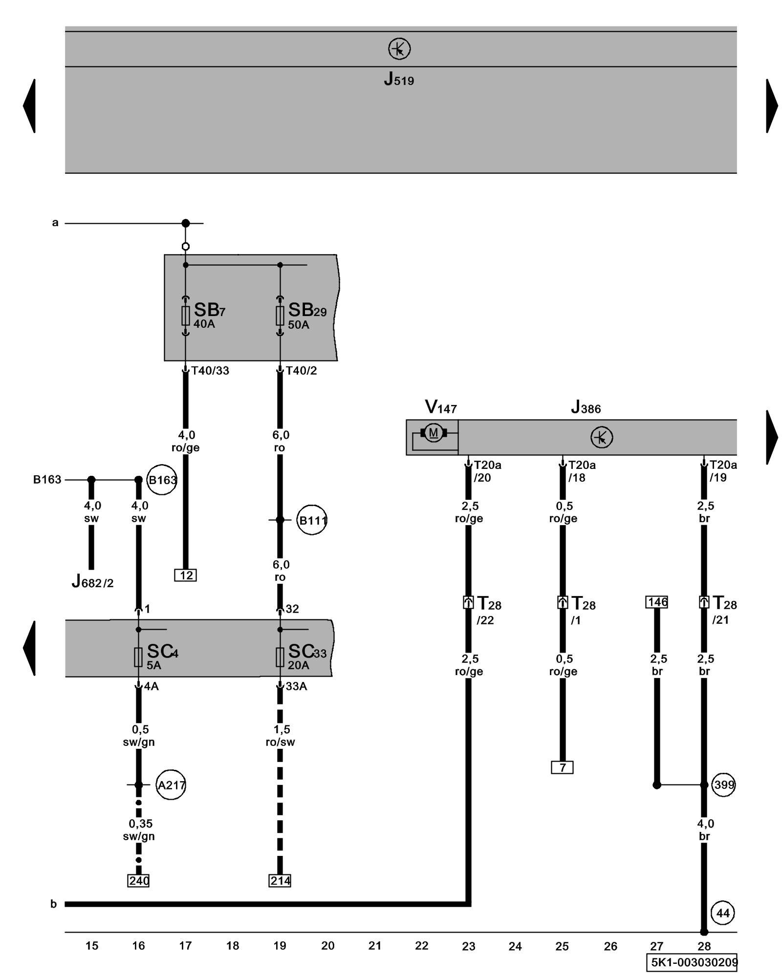
Diagram 3/3 (Tracks 15-28)
IMPORTANT NOTE:
This manufacturer uses "Track" style wiring diagrams.
For information on how to use these diagrams effectively, please refer to Diagram Information and Instructions. Diagram Information and Instructions
Driver's Door Control Module, Driver's Window Regulator Motor

ws = white
sw = black
ro = red
br = brown
gn = green
bl = blue
gr = grey
li = lilac
ge = yellow
or = orange
rs = pink
J386 - Driver's Door Control Module
J519 - Vehicle Electrical System Control Module Control modules in front part of vehicle - Overview of Control Modules
J689 - Power Supply Relay 2 (terminal 30)
SB7 - Fuse 7 (on fuse panel B) Fuse overview (SA), (SB), (SC)
SB29 - Fuse 29 (on fuse panel B) Fuse overview (SA), (SB), (SC)
SC4 - Fuse 4 (on fuse panel C) Fuse overview (SA), (SB), (SC)
SC33 - Fuse 33 (on fuse panel C) Fuse overview (SA), (SB), (SC)
T20a - 20-Pin Connector
T28 - 28-Pin Connector, connector station A-pillar, left Overview of connector stations and connectors
T40 - 40-Pin Connector
V147 - Driver's Window Regulator Motor
(44) - Ground Connection (on left lower A-pillar) Overview Of Ground Connections in Interior
(399) - Ground Connection 34 (in main wiring harness)
(A217) - Plus Connection 8 (15a) (in instrument panel wiring harness)
(B111) - Plus Connection 1 (30a) (in interior wiring harness)
(B163) - Plus Connection 1 (15) (in interior wiring harness)
--- - Only models with power sunroof control module
-^- - Only models with automatic day/night interior/outside mirror
Previous Diagram 3/2 (Tracks 1-14)
Next Diagram 3/4 (Tracks 29-42)