Clutch Housing
Clutch Housing
Special tools, testers and auxiliary items required
• Punch (VW 407)
• Drift (T10168)
• Thrust Piece (T40008)
• Kukko Extractor 14.5-18.5 mm (21/2)
• Kukko Extractor 23.5-30 mm (21/4)
• Kukko Support (22/2)

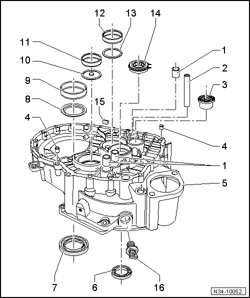
1 Bushing
• For the selector shafts.
• Always replace if removed.
• Removing, refer to => [ Removing the Selector Shaft Bushing ].
• Installing, refer to => [ Installing the Selector Shaft Bushing up to the Tool Stop ].
2 Shaft for the Reverse Gear Selector Fork
• Mount the reverse gear selector fork on the shaft. Refer to => [ The reverse gear selector fork is mounted on the axle behind the 5th and 6th gear selector shaft. ] Transmission, With a Sealing Cap Lock Ring.
• The shaft cannot be removed with hop tools.
• A new shaft must be installed when using a new clutch housing. Refer to => [ Installing the Reverse Gear Selector Fork Shaft into the Clutch Housing ].
• Mounted on the selector shaft for the 5th and 6th gear selector fork. Refer to => [ The reverse gear selector fork is mounted on the selector shaft with the 5th and 6th gear selector fork. ] Transmission, With a Sealing Cap Lock Ring.
• Refer to the Parts Catalog.
3 Needle Sleeve
• For the reverse gear shaft.
• Always replace if removed.
• Removing, refer to => [ Removing the Needle Sleeve from the Clutch Housing ].
• Installing, refer to => [ Installing the Needle Sleeve into the Clutch Housing ].
4 Alignment Sleeve
• Quantity: 2
5 Clutch Housing
• When replacing: Adjust the output shafts and differential. Refer to => [ Adjustment Overview ] Adjustment Overview.
6 Input Shaft Seal
• Removing and installing, refer to => [ Input Shaft Seal ] Input Shaft Seal.
The seal can only be removed using the sleeve (30-21) when the transmission is disassembled.
7 Seal
• Replacing, refer to => [ Right Flange Shaft and Seal ] Right Flange Shaft and Seal.
8 Washer
• For the differential.
• Installed position: The shoulder on the inner diameter faces toward the seal - item 7 -.
9 Outer Race/Tapered Roller Bearing
• For the differential.
• Removing and installing, refer to => [ Differential ] Service and Repair.
• When replacing: adjust the differential. Refer to => [ Differential, Adjusting ] Differential, Adjusting.
10 Oil Deflector Ring
• Installed position: The shoulder on the hole faces the output shaft.
11 Outer Race/Tapered Roller Bearing
• For the 1st to 4th gear output shaft.
• Removing and installing, refer to => [ Output Shaft, 1st to 4th Gears ] Output Shaft, 1st to 4th Gears.
• When replacing: Adjust the output shaft for 1st to 4th gear. Refer to => [ Output Shaft, 1st to 4th Gears, Adjusting ] Output Shaft, 1st to 4th Gears, Adjusting.
12 Outer Race/Tapered Roller Bearing
• For the 5th, 6th and reverse gear output shaft.
• Removing and installing, refer to => [ Output Shaft, 5th, 6th and Reverse Gears ] Output Shaft, 5th, 6th and Reverse Gears.
• When replacing: Adjust the output shaft for 5th, 6th and reverse gear. Refer to => [ Output Shaft, 5th, 6th and Reverse Gears, Adjusting ] Output Shaft, 5th, 6th and Reverse Gears, Adjusting.
13 Washer
• For the 5th, 6th and reverse gear output shaft.
• Always 0.65 mm thick.
14 Cylindrical Roller Bearing
• For the input shaft.
• Removing and installing, refer to => [ Input Shaft Overview ] Input Shaft Overview.
15 Magnet
• Held in place by the housing joint surface
16 Cap
• Not on all clutch housings.
Removing the Selector Shaft Bushing

A Counter support, for example, Kukko support (22/1)
B Internal puller 14.5 to 18.5 mm, for example, Kukko extractor 14.5-18.5 mm (21/2)
Installing the Selector Shaft Bushing up to the Tool Stop

Removing the Needle Sleeve from the Clutch Housing

A Counter support, for example, Kukko support (22/2)
B Internal puller 23.5 to 30 mm, for example, Kukko 23.5-30 mm (21/4)
• The needle sleeve will get damaged when it is removed and must be replaced.
Installing the Needle Sleeve into the Clutch Housing

- While installing, place thrust washer - B - for the reverse gear shaft onto the needle sleeve - A -.
Installing the Reverse Gear Selector Fork Shaft into the Clutch Housing
