Input Shaft Overview
Input Shaft Overview
• Install all input shaft bearings using transmission fluid.

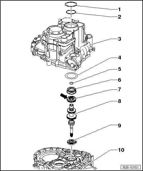
1 Lock Ring
• For the grooved ball bearing (- item 6 -) input shaft.
• Removing and installing, refer to => [ Transmission, without a Sealing Cap Lock Ring ] Transmission, Without a Sealing Cap Lock Ring.
2 Washer
• Outer circumference = 78.6 mm
• Only insert with the changed transmission housing (from transmission build date 10 April 2006 through approximately 20 January 2008). Refer to => [ Grooved Ball Bearing Changes ] Input Shaft.
• Refer to the Parts Catalog.
3 Transmission Housing
• Adapted in the grooved ball bearing (- item 6 -) seat area and washers (- items 2 and 4 - from transmission build date 10 April 2006 through approximately 20 January 2008. Refer to => [ Grooved Ball Bearing Changes ] Input Shaft.
• Flattened areas on the grooved ball bearing and bearing seat approximately from transmission build date 21 January 2008. Refer to => [ Grooved Ball Bearing Changes ] Input Shaft.
• Refer to the Parts Catalog.
4 Washer
• Outer circumference = 85 mm
• Only insert with the changed transmission housing (from transmission build date 10 April 2006 through approximately 20 January 2808). Refer to => [ Grooved Ball Bearing Changes ] Input Shaft.
• Refer to the Parts Catalog.
5 Lock Ring
• Select when replacing the grooved ball bearing - item 6 - and the input shaft - item 8 -. Refer to => [ Determining the Grooved Ball Bearing Lock Ring on the Input Shaft ] Input Shaft.
6 Grooved Ball Bearing
• Always replace.
• Removing, refer to => [ Removing the Grooved Ball Bearing ] Input Shaft.
• Installed position, refer to => [ Grooved Ball Bearing Installed Position ] Input Shaft.
• Installing, refer to => [ Installing the Grooved Ball Bearing ] Input Shaft.
• Flattened areas on the grooved ball bearing and bearing seat approximately from transmission build date 21 January 2008. Refer to => [ Flattened Areas on the Grooved Ball Bearing and Bearing Seat in the Transmission Housing from Approximately Transmission Build Date 21 January 2008 ] Input Shaft.
7 5th Gear
• Offered together with the input shaft as a replacement part.
• Removing, refer to => [ Removing the 5th Gear ] Input Shaft.
• Installed position: The surrounding groove - arrow - points toward the grooved ball bearing - item 6 -.
• Installing, refer to => [ Installing 5th Gear ] Input Shaft.
8 Input Shaft
• With the 3rd, 4th and 6th gears.
9 Cylindrical Roller Bearing
• With a lock ring.
• Removing, refer to => [ Removing the Cylindrical Roller Bearing from the Clutch Housing ] Input Shaft.
• Installing, refer to => [ Pressing the Cylindrical Roller Bearing into the Clutch Housing ] Input Shaft.
• Installed position: The lock ring inside the bearing faces the input shaft.
10 Clutch Housing