Operation CHARM: Car repair manuals for everyone.

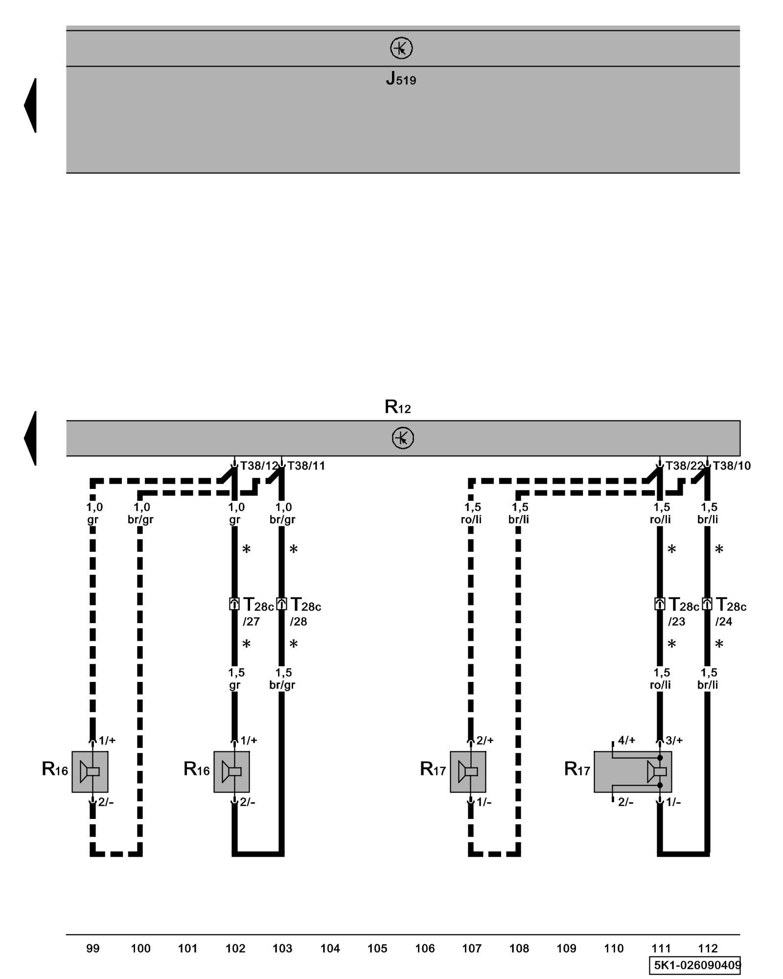
Diagram 26/9 (Tracks 99-112)






IMPORTANT NOTE:
This manufacturer uses "Track" style wiring diagrams.
For information on how to use these diagrams effectively, please refer to Diagram Information and Instructions. Diagram Information and Instructions


Radio, Right Rear Speaker





ws = white
sw = black
ro = red
br = brown
gn = green
bl = blue
gr = grey
li = lilac
ge = yellow
or = orange
rs = pink

J519 - Vehicle Electrical System Control Module Control modules in front part of vehicle - Overview of Control Modules

R12 - Amplifier, below driver's seat
Locations

R16 - Right Rear Treble Speaker
Locations

R17 - Right Rear Bass Speaker
Locations

T24 - 24-Pin Connector

T28c - 28-Pin Connector, connector station B-pillar, right Overview of connector stations and connectors

* - Only 4-door models

--- - Only 2-door models

Previous Diagram 26/8 (Tracks 85-98)