Operation CHARM: Car repair manuals for everyone.

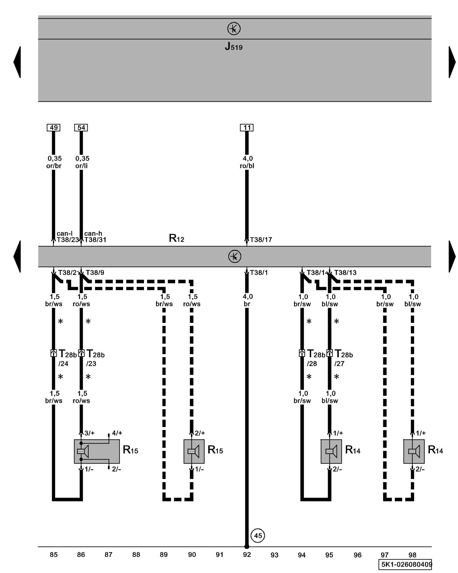
Diagram 26/8 (Tracks 85-98)






IMPORTANT NOTE:
This manufacturer uses "Track" style wiring diagrams.
For information on how to use these diagrams effectively, please refer to Diagram Information and Instructions. Diagram Information and Instructions


Amplifier, Left Rear Speaker





ws = white
sw = black
ro = red
br = brown
gn = green
bl = blue
gr = grey
li = lilac
ge = yellow
or = orange
rs = pink

J519 - Vehicle Electrical System Control Module Control modules in front part of vehicle - Overview of Control Modules

R12 - Amplifier, below driver's seat
Locations

R14 - Left Rear Treble Speaker
Locations
R15 - Left Rear Bass Speaker
Locations

T28b - 28-Pin Connector, connector station B-pillar, left Overview of connector stations and connectors

T38 - 38-Pin Connector

(45) - Ground Connection (behind instrument panel, center)

* - Only 4-door models

--- - Only 2-door models

Previous Diagram 26/7 (Tracks 71-84)

Next Diagram 26/9 (Tracks 99-112)