Operation CHARM: Car repair manuals for everyone.

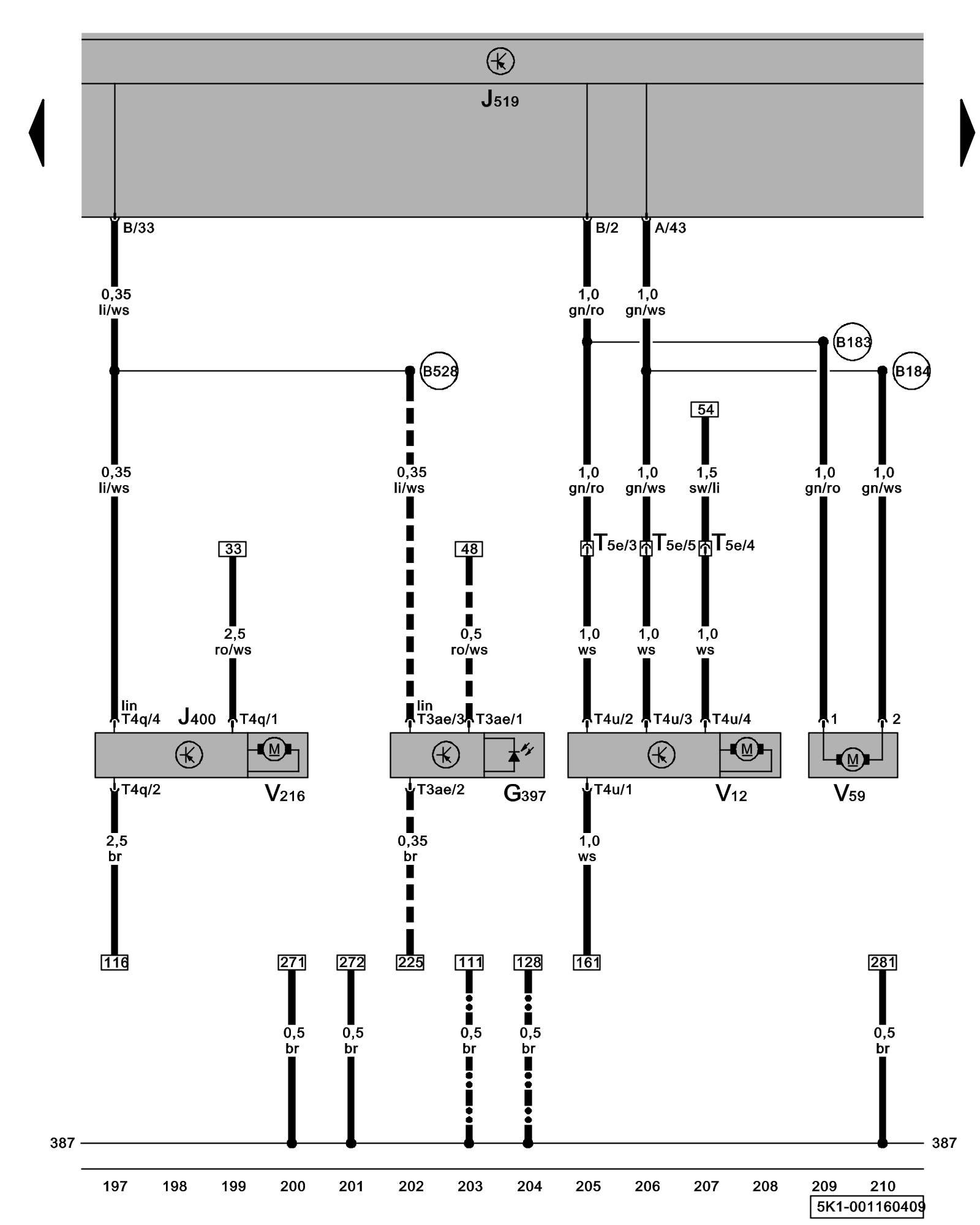
Diagram 1/16 (Tracks 197-210)






IMPORTANT NOTE:
This manufacturer uses "Track" style wiring diagrams.
For information on how to use these diagrams effectively, please refer to Diagram Information and Instructions. Diagram Information and Instructions


Driver's Windshield Wiper Motor, Rain/Light Recognition Sensor, Rear Window Wiper Motor, Windshield and Rear Window Washer Pump





ws = white
sw = black
ro = red
br = brown
gn = green
bl = blue
gr = grey
li = lilac
ge = yellow
or = orange
rs = pink

G397 - Rain/Light Recognition Sensor

J400 - Wiper Motor Control Module

J519 - Vehicle Electrical System Control Module Control modules in front part of vehicle - Overview of Control Modules

T3ae - 3-Pin Connector Overview of connector stations and connectors

T4q - 4-Pin Connector

T4u - 4-Pin Connector

T5e - 5-Pin Connector, pink, in left rear side panel Overview of connector stations and connectors

V12 - Rear Window Wiper Motor

V59 - Windshield and Rear Window Washer Pump

V216 - Driver's Windshield Wiper Motor

(B183) - Washer Pump Connection 1 (in interior wiring harness)

(B184) - Washer Pump Connection 2 (in interior wiring harness)

(B528) - LIN-Bus Connection 1 (in main wiring harness)

--- - Only models with rain/light recognition sensor

-^^- - Only models with static headlamp range regulation

Previous Diagram 1/15 (Tracks 183-196)

Next Diagram 1/17 (Tracks 211-224)