Operation CHARM: Car repair manuals for everyone.

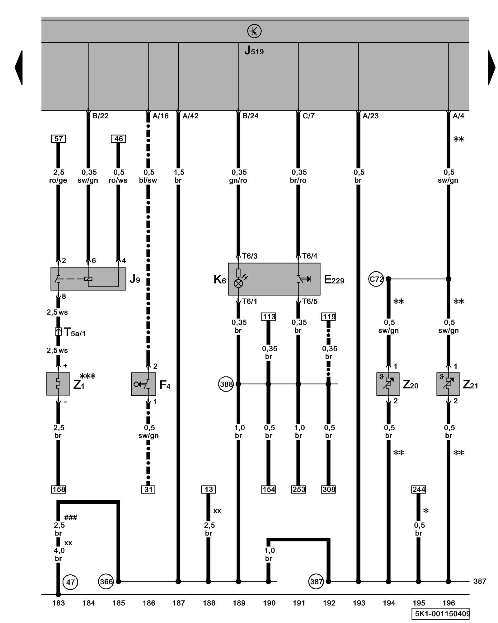
Diagram 1/15 (Tracks 183-196)






IMPORTANT NOTE:
This manufacturer uses "Track" style wiring diagrams.
For information on how to use these diagrams effectively, please refer to Diagram Information and Instructions. Diagram Information and Instructions


Emergency Flasher Button, Back-Up Light Switch, Heated Washer Nozzles, Rear Window Defogger Relay, Heated Rear Window





ws = white
sw = black
ro = red
br = brown
gn = green
bl = blue
gr = grey
li = lilac
ge = yellow
or = orange
rs = pink

E229 - Emergency Flasher Button

F4 - Back-Up Light Switch
Direct Shift Gearbox (DSG)

J9 - Rear Window Defogger Relay Overview Of Relay Carrier

J519 - Vehicle Electrical System Control Module Control modules in front part of vehicle - Overview of Control Modules

K6 - Emergency Flasher Indicator Lamp

T6 - 6-Pin Connector

T5a - 5-Pin Connector, black, in left rear side panel Overview of connector stations and connectors

Z1 - Heated Rear Window

Z20 - Left Washer Nozzle Heater

Z21 - Right Washer Nozzle Heater

(47) - Ground Connection (in front right footwell) Overview Of Ground Connections in Interior

(366) - Ground Connection 1 (in main wiring harness)

(387) - Ground Connection 22 (in main wiring harness)

(388) - Ground Connection 23 (in main wiring harness)

(C72) - Plus Connection (in heated spray jet wiring harness)

* - Only models with Glove Compartment Light

** - Only models with Heated Washer Nozzles

-^- - Not for models with direct shift gearbox 02E/ 0AM (DSG)

-^^- - Only models with static headlamp range regulation

*** - Models with radio/ radio/navigation system => Wiring Diagram radio systems

### - Only models without stop/start system

xx - Only models with stop/start system

Previous Diagram 1/14 (Tracks 169-182)

Next Diagram 1/16 (Tracks 197-210)