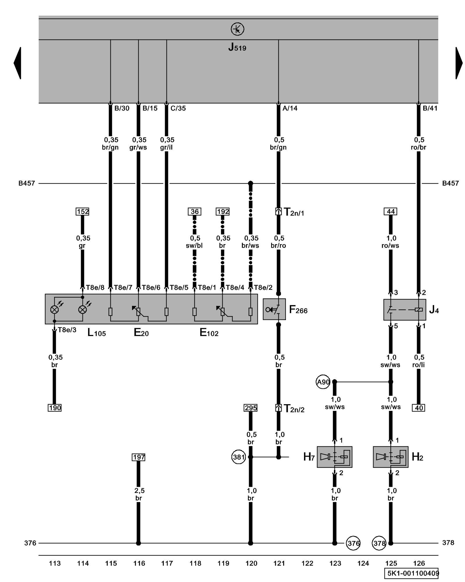
Diagram 1/10 (Tracks 113-126)
IMPORTANT NOTE:
This manufacturer uses "Track" style wiring diagrams.
For information on how to use these diagrams effectively, please refer to Diagram Information and Instructions. Diagram Information and Instructions
Instrument Panel Illumination Dimmer Switch, Headlamp Adjuster, Dual Horn Relay, Low Tone Horn, High Tone Horn, Front Hood Switch

ws = white
sw = black
ro = red
br = brown
gn = green
bl = blue
gr = grey
li = lilac
ge = yellow
or = orange
rs = pink
E20 - Instrument Panel Illumination Dimmer Switch
E102 - Headlamp Adjuster
F266 - Front Hood Switch Locations
H2 - High Tone Horn
H7 - Low Tone Horn
J4 - Dual Horn Relay Overview Of Relay Carrier
J519 - Vehicle Electrical System Control Module Control modules in front part of vehicle - Overview of Control Modules
L105 - Illumination Control Illumination
T2n - Double Connector, near left headlamp
T8e - 8-Pin Connector
(376) - Ground Connection 11 (in main wiring harness)
(378) - Ground Connection 13 (in main wiring harness)
(381) - Ground Connection 16 (in main wiring harness)
(A90) - Dual-tone Horn Connection (in instrument panel wiring harness)
-^^- - Only models with static headlamp range regulation
Previous Diagram 1/9 (Tracks 99-112)
Next Diagram 1/11 (Tracks 127-140)