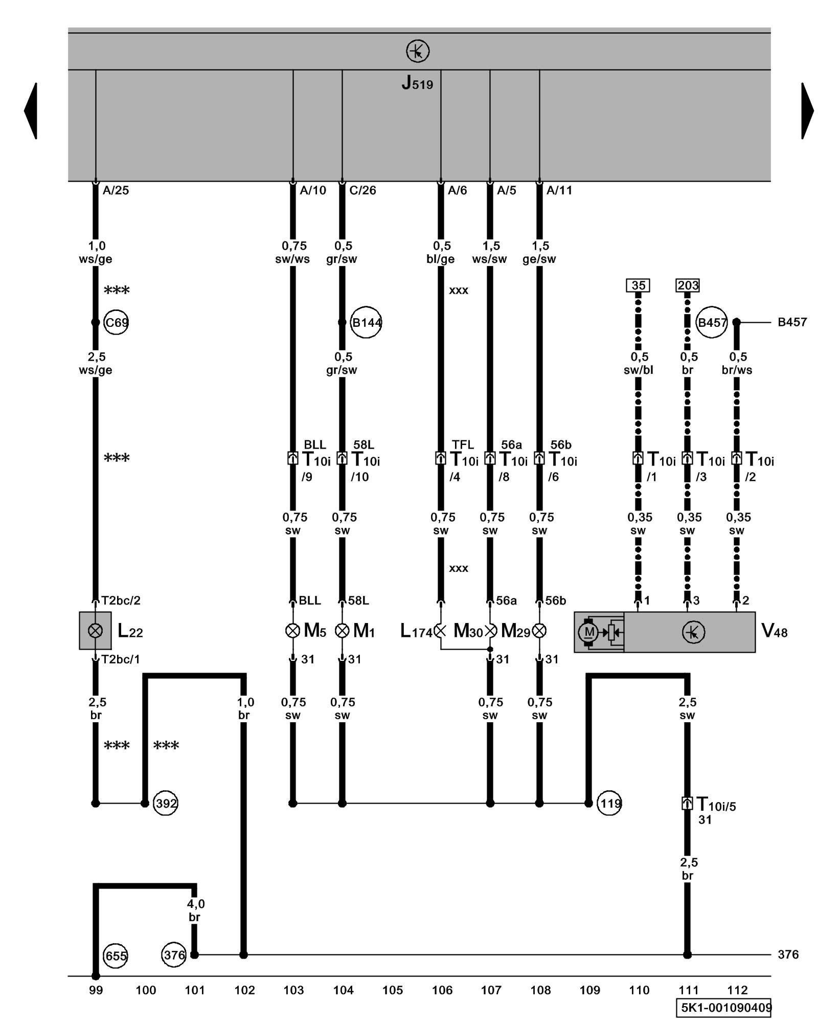
Diagram 1/9 (Tracks 99-112)
IMPORTANT NOTE:
This manufacturer uses "Track" style wiring diagrams.
For information on how to use these diagrams effectively, please refer to Diagram Information and Instructions. Diagram Information and Instructions
Left Headlamp, Left Daytime Running Lamp (DRL) Lamp, Left Front Fog Lamp, Left Headlamp Beam Adjustment Motor

ws = white
sw = black
ro = red
br = brown
gn = green
bl = blue
gr = grey
li = lilac
ge = yellow
or = orange
rs = pink
J519 - Vehicle Electrical System Control Module Control modules in front part of vehicle - Overview of Control Modules
L22 - Left Front Fog Lamp
L174 - Left Daytime Running Lamp (DRL) Lamp
M1 - Left Parking Lamp
M5 - Left Front Turn Signal Lamp
M29 - Left Low Beam Headlamp
M30 - Left High Beam Headlamp
T2bc - Double Connector
T10i - 10-Pin Connector, on left headlamp
V48 - Left Headlamp Beam Adjustment Motor
(119) - Ground Connection 1 (in headlamp wiring harness)
(376) - Ground Connection 11 (in main wiring harness)
(392) - Ground Connection 27 (in main wiring harness)
(655) - Ground Connection (on left headlamp) Overview Of Ground Connections in Engine Compartment
(B144) - Plus Connection (58L) (in interior wiring harness)
(B457) - Position Sensor Connection 1 (in main wiring harness)
(C69) - Fog Lamps Connection (in front left wiring harness)
*** - Only models with front fog lamps
-^^- - Only models with static headlamp range regulation
xxx - Only models with daytime running lights
Previous Diagram 1/8 (Tracks 85-98)
Next Diagram 1/10 (Tracks 113-126)