Operation CHARM: Car repair manuals for everyone.

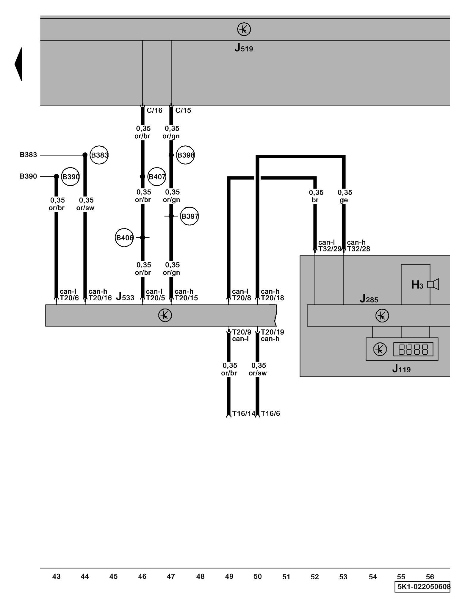
Diagram 22/5 (Tracks 43-56)






IMPORTANT NOTE:
This manufacturer uses "Track" style wiring diagrams.
For information on how to use these diagrams effectively, please refer to Diagram Information and Instructions. Diagram Information and Instructions


Instrument Cluster, Data Bus On Board Diagnostic Interface, Data Link Connector (DLC)





ws = white
sw = black
ro = red
br = brown
gn = green
bl = blue
gr = grey
li = lilac
ge = yellow
or = orange
rs = pink

H3 - Warning Buzzer

J119 - Multi-function Indicator

J285 - Instrument Cluster Control Module with display unit

J519 - Vehicle Electrical System Control Module Control modules in front part of vehicle - Overview of Control Modules

J533 - Data Bus On Board Diagnostic Interface, in left footwell, near center console Control modules in front part of vehicle - Overview of Control Modules

T16 - 16-Pin Connector, under instrument panel, left, Data Link Connector (DLC)

T20 - 20-Pin Connector

T32 - 32-Pin Connector

(B383) - Powertrain CAN-Bus High Connection 1 (in main wiring harness)

(B390) - Powertrain CAN-Bus Low Connection 1 (in main wiring harness)

(B397) - Comfort System CAN-Bus High Connection 1 (in main wiring harness)

(B398) - Comfort System CAN-Bus High Connection 2 (in main wiring harness)

(B406) - Comfort System CAN-Bus Low Connection 1 (in main wiring harness)

(B407) - Comfort System CAN-Bus Low Connection 2 (in main wiring harness)

Previous Diagram 22/4 (Tracks 29-42)