Rear Brakes Overview, C38
Rear Brakes Overview, C38
• After replacing the brake pads, press the brake pedal firmly several times with the vehicle stationary so that the brake pads are properly seated in their normal operating position.
• Use the brake charger/bleeder unit (VAS 5234) or (V.A.G 1869/4) to extract brake fluid from the brake fluid reservoir.
• Before removing a brake caliper or disconnecting a brake hose, the brake pedal adjuster (V.A.G 1869/2) should be installed (to relieve pressure).

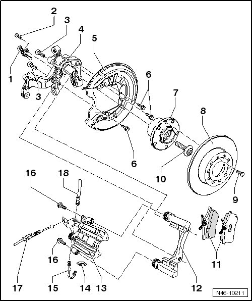
1 Anti-lock Brake System (ABS) Wheel Speed Sensor
• Before inserting the sensor, clean the inner surface of the hole and coat with hot bolt paste (G 052 112 A3).
2 Bolt
• 8 Nm
3 Bolt
• 90 Nm + an additional 90° (1/4) turn.
• Always replace if removed.
4 Wheel Bearing Housing
5 Cover Plate
6 TORX(R) Bolt
• 12 Nm
7 Wheel Hub with Bearing
8 Brake Rotor
• Non-vented, 253 mm.
• Thickness: 10 mm
• Wear limit: 8 mm
• Always replace the pads on both sides if worn.
• Remove the brake caliper before removing.
9 Screw
• 4 Nm
10 Bolt
11 Brake Pads
• Thickness: 11 mm without the backing plate.
• Wear limit: 2 mm without the backing plate.
• Always replace on both sides.
• Removing and installing, refer to => [ Brake Pads, C38 ] Brake Pads, C38.
12 Brake Carrier with Guide Pins and Cap
• Supplied as an assembled replacement part with sufficient grease on the guide pins.
• If the caps or guide pins are damaged, install them from the repair kit. Use the supplied grease packet to lubricate the guide pins.
13 Brake Caliper
• Do not remove the brake hose when changing the brake pads.
• Removing and installing, refer to => [ Brake Caliper, C38 ] Brake Caliper, C38.
• Overview, refer to => [ Rear Brake Caliper Overview, C38 ] Rear Brake Caliper Overview, C38.
• After servicing or replacing, the parking brake cable must be adjusted first.
• Adjusting the parking brake. Refer to => [ Parking Brake, Adjusting ] Adjustments.
14 Hose Retainer
15 Brake Line
• 14 Nm
16 Bolt
• 35 Nm
• Always replace.
17 Parking Brake Cable
• Both tabs must be engaged in the brake caliper bracket.
• Adjusting the parking brake. Refer to => [ Parking Brake, Adjusting ] Adjustments.
18 Brake Hose