Anti-Lock Brake System
Anti-lock Brake System
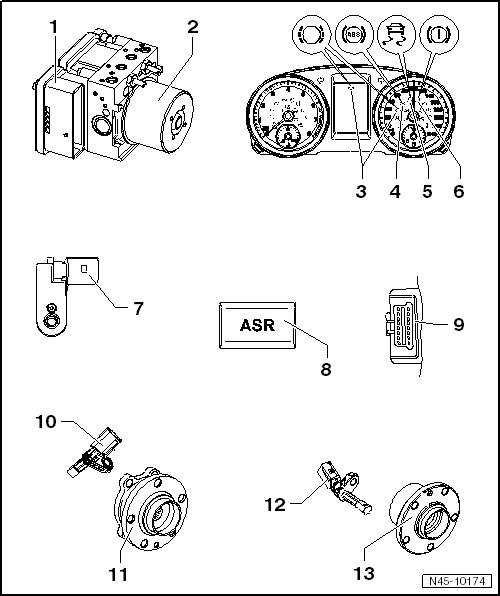
ABS Mark 70 (ABS/ASR)

1 ABS Control Module -J104-
• Located at the hydraulic unit in the right side engine compartment.
2 ABS Hydraulic Unit -N55-
• Includes ABS Hydraulic Pump -V64-
• Valve block (contains the in/outlet valves).
• Located at the right side engine compartment.
• ABS Mark 60 EC (ABS/EDS/ASR/ESP) locationABS Mark 60 EC (ABS/EDS/ASR/ESP)
3 Brake Pad Wear Indicator Lamp -K32-
• Located in the instrument panel
4 ABS Warning Lamp -K47-
• Located in the instrument panel
5 Traction Control Indicator Lamp -K86-
• Located in the instrument panel
6 Brake System Warning Lamp -K118-
• Located in the instrument panel
7 Brake Light Switch -F- => [ Brake Light Switch ] See Image Below.
• Includes Brake Pedal Switch -F47-
• Located at the master brake cylinder
• ABS Mark 60 EC (ABS/EDS/ASR/ESP) locationABS Mark 60 EC (ABS/EDS/ASR/ESP)
8 ASR/ESP Button -E256-
• Located in the center console
ABS Mark 70 (ABS/ASR) continued

9 - Diagnostic Connection
• Located under the cover in the driver footwell
10 - Right Front ABS Wheel Speed Sensor -G45- and Left Front ABS Wheel Speed Sensor -G47- => [ Front Wheel Speed Sensor ] See Image Below.
• ABS Mark 60 EC (ABS/EDS/ASR/ESP) locationABS Mark 60 EC (ABS/EDS/ASR/ESP)
11 - Wheel Hub with Wheel Bearing
• The sensor ring for the ABS is built in the wheel bearing
12 - Right Rear ABS Wheel Speed Sensor -G44- and Left Rear ABS Wheel Speed Sensor -G46-
• Rear Wheel Speed Sensor - FWD => [ Rear Wheel Speed Sensor - FWD ] See Image Below.
• Rear Wheel Speed Sensor - AWD => [ Rear Wheel Speed Sensor - AWD ] See Image Below.
• ABS Mark 60 EC (ABS/EDS/ASR/ESP) locationABS Mark 60 EC (ABS/EDS/ASR/ESP)
13 - Wheel Hub with Wheel Bearing
• The sensor ring for the ABS is built in the wheel bearing
Front Wheel Speed Sensor

1 - Front right speed sensor -G45- and Front left speed sensor -G47-
Rear Wheel Speed Sensor - FWD

1 - Right Rear ABS Wheel Speed Sensor -G44- or Left Rear ABS Wheel Speed Sensor -G46-
Rear Wheel Speed Sensor - AWD

1 - Right Rear ABS Wheel Speed Sensor -G44- or Left Rear ABS Wheel Speed Sensor -G46-
Brake Light Switch

1 - Electrical connector
3 - Brake Light Switch -F- with Brake Pedal Switch -F47-