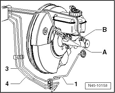
Brake Lines, Connecting to Master Cylinder and Hydraulic Unit
Brake Lines, Connecting to Master Cylinder and Hydraulic Unit
To the Master Cylinder:

A Primary piston circuit from the master cylinder to the hydraulic unit.
Identification: 6.5 mm diameter and fitting with M12 x 1 threads.
B Secondary piston circuit from the master cylinder to the hydraulic unit.
Identification: 6.5 mm diameter and fitting with M12 x 1 threads.
1 Hydraulic unit to the left front brake caliper.
3 Hydraulic unit to the right rear brake caliper.
4 Hydraulic unit to the left rear brake caliper.
To the Hydraulic Unit:

A Hydraulic unit to the primary piston circuit of the master cylinder.
Identification: 6.5 mm diameter and fitting with M12 x 1 threads.
B Hydraulic unit to the secondary piston circuit of the master cylinder.
Identification: 6.5 mm diameter and fitting with M12 x 1 threads.
1 Hydraulic unit to the left front brake caliper.
Identification: 5.25 mm diameter and fitting with M10 x 1 threads.
2 Hydraulic unit to the right front brake caliper.
Identification: 5.25 mm diameter and fitting with M12 x 1 threads.
3 Hydraulic unit to the right rear brake caliper.
Identification: 5.25 mm diameter and fitting with M10 x 1 threads.
4 Hydraulic unit to the left rear brake caliper.
Identification: 5.25 mm diameter and fitting with M12 x 1 threads.