Headlamp Washer Pump: Service and Repair
Headlamp Washer Pump (V11)
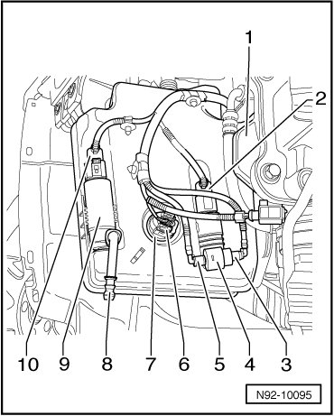
The Headlamp Washer Pump is installed at tank for windshield washing system and headlamp cleaning system in right wheel housing.
• The actual location of the headlamp washer pump may differ slightly depending on the vehicle equipment level. Removal is identical.
Removal
- Switch off ignition, switch off all electrical consumers and remove ignition key.
- Remove front bumper cover.
- Remove Headlamp Washer Pump - 9 - upward out of tank.

- Disconnect the connector - 10 -.
- To disassemble connecting tube - 8 -, pull securing clip at connection and pull connecting tube - 8 - from Headlamp Washer Pump.
Installation
Install in reverse order of removal, noting the following:
- Tighten all the threaded connections to the specification given in the assembly overview. Refer to => [ Headlamp Washer System Overview ] Headlamp Washer System Overview.
- Bleed headlamp washer system after completing assembly work. Refer to => [ Headlamp Washer System, Bleeding ] Procedures.