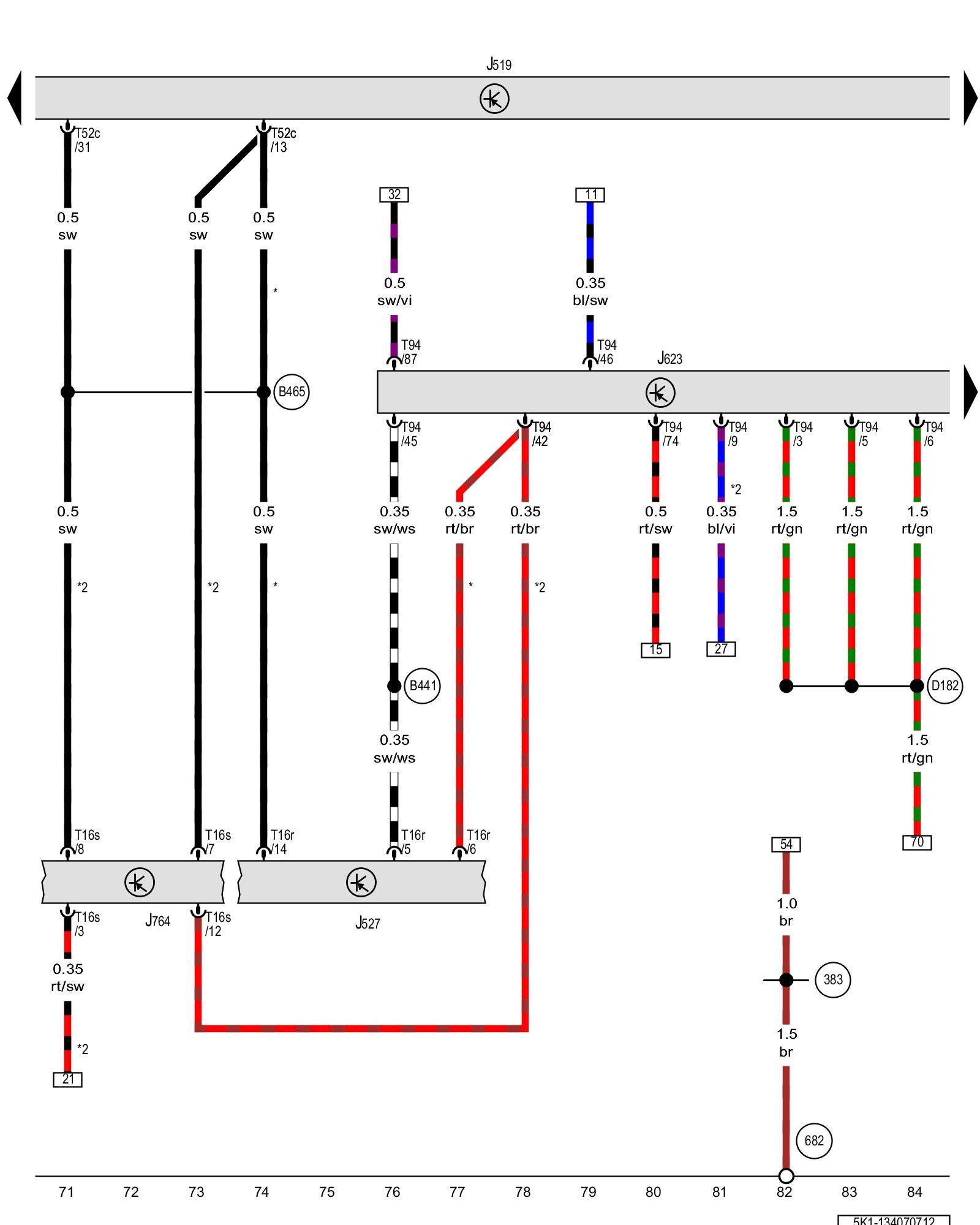
Diagram 134/7 (Tracks 71-84)
IMPORTANT NOTE:
This manufacturer uses "Track" style wiring diagrams.
For information on how to use these diagrams effectively, please refer to Diagram Information and Instructions. Diagram Information and Instructions
Vehicle electrical system control module, Steering column electronics control module, Engine control module

ws = white
sw = black
ro = red
br = brown
gn = green
bl = blue
gr = grey
li = lilac
ge = yellow
or = orange
rs = pink
J519 - Vehicle electrical system control module Control modules in front part of vehicle - Overview of Control Modules
J527 - Steering column electronics control module Control modules in front part of vehicle - Overview of Control Modules
J623 - Engine control module, in the center plenum chamber Control modules in front part of vehicle - Overview of Control Modules
J764 - Electronic steering column lock control module Control modules in front part of vehicle - Overview of Control Modules
T16r - 16-pin connector
T16s - 16-pin connector
T52c - 52-pin connector
T94 - 94-pin connector
(383) - Ground connection 18 (in main wiring harness)
(682) - Ground connection 2 in right rear side panel Overview Of Ground Connections in Luggage Compartment
(B441) - Cruise control connection (in main wiring harness)
(B465) - Connection 1 (in main wiring harness)
(D182) - Connection 87a (in engine compartment wiring harness) 3
* - Only for vehicles without access/start authorization system
*2 - only for vehicles with access/start authorization system
Previous Diagram 134/6 (Tracks 57-70)
Next Diagram 134/8 (Tracks 85-98)