Operation CHARM: Car repair manuals for everyone.

Procedures







Instrument Panel, Golf from MY 04, Aligning

Instrument panel height is adjusted correctly when there is no offset between door trim seam - arrow A - and instrument panel seam - arrow B -.






Height difference between upper edge of door trim - 1 - and upper edge of instrument panel - 2 -: 3 mm +/- 1 mm.

It is not necessary to change instrument panel position to increase horizontal gap between door trim and instrument panel - arrow C -.

- Open the door and remove the bolt - 1 - (2 Nm).






- Hold an appropriately thick cloth at left edge of instrument panel and close door.

In this way, door trim engages closer to door and the gap between door trim and instrument panel increases appropriately. Thus, it is not necessary to align instrument panel.

Perform work on passenger side in the same way.

Aligning the instrument panel

Instrument panel can be aligned in height and diagonally to direction of travel.

- Remove wiper arm.

- Remove plenum chamber cover.

- Remove side instrument panel covers. Refer to => [ Instrument Panel Side Covers ] Instrument Panel Side Covers

- Pry cover - 1 - out of mounts using trim removal wedge (3409).






- Unclip cover - 1 - from trim using a small screwdriver.

- Remove bolt - 2 - (1.5 Nm).

- Pull left footwell trim - 3 - out of mounts.

Removal of right footwell trim is identical.






- Loosen the bolt - 1 - in plenum chamber 2-3 turns.






- Loosen two bolts - 1 - below heating or A/C mechanism 2-3 turns (9 Nm).

Additional bolts in this area do not need to be loosened.

- Loosen four bolts - 2 - in tunnel area 2-3 turns (20 Nm).






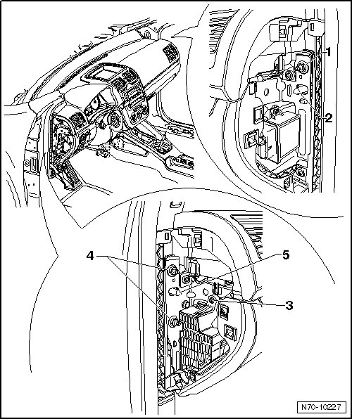
- Loosen nut - 1 - on right side 2-3 turns (18 Nm).

- Loosen fuse holder bolt - 3 - on left side (2 Nm).

- Loosen two nuts - 4 - 2-3 turns (18 Nm).

Aligning the instrument panel height

Instrument panel height is set using eccentric screws - 2 - and - 5 -.

In the zero position, the longer eccentric surface faces toward outside of vehicle.

Eccentric must not be turned more than ±90° out of zero position.

- Adjust desired instrument panel height using eccentric screws - 2 - and - 5 -.

Aligning the instrument panel width

- Slide instrument panel into desired position.






- Tighten the instrument panel to the tightening specifications after it has been aligned.

Installation of removed components is reverse of removal.