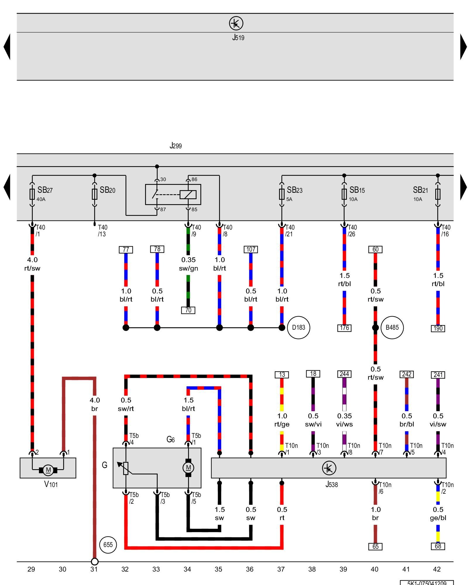
Diagram 75/4 (Tracks 29-42)
IMPORTANT NOTE:
This manufacturer uses "Track" style wiring diagrams.
For information on how to use these diagrams effectively, please refer to Diagram Information and Instructions. Diagram Information and Instructions
Fuel level sensor, Transfer fuel pump, Secondary air injection pump relay, Fuel pump control module, Secondary air injection pump motor

ws = white
sw = black
ro = red
br = brown
gn = green
bl = blue
gr = grey
li = lilac
ge = yellow
or = orange
rs = pink
G - Fuel level sensor Fuel Pumps and Sensors
G6 - Transfer fuel pump Fuel Pumps and Sensors
J299 - Secondary air injection pump relay Overview Of Relay Carrier
J519 - Vehicle electrical system control module Control modules in front part of vehicle - Overview of Control Modules
J538 - Fuel pump control module Control Modules in The Rear Of The Vehicle
SB15 - Fuse 15 (on fuse panel B) Fuse overview (SA), (SB), (SC)
SB20 - Fuse 20 (on fuse panel B) Fuse overview (SA), (SB), (SC)
SB21 - Fuse 21 (on fuse panel B) Fuse overview (SA), (SB), (SC)
SB23 - Fuse 23 (on fuse panel B) Fuse overview (SA), (SB), (SC)
SB27 - Fuse 27 (on fuse panel B) Fuse overview (SA), (SB), (SC)
T5b - 5-pin connector
T10n - 10-pin connector
T40 - 40-pin connector
V101 - Secondary air injection pump motor
Locations
(655) - Ground connection on left headlamp
(B485) - Connection 21 (in main wiring harness)
(D183) - Connection 4 (87a) (in engine compartment wiring harness)
Previous Diagram 75/3 (Tracks 15-28)
Next Diagram 75/5 (Tracks 43-56)