Instrument Panel
Instrument Panel
Removing
- Disconnect the battery.
- Remove driver side airbag unit.
- Remove the steering wheel.
- Remove side instrument panel covers. Refer to => [ Instrument Panel Side Covers ] Instrument Panel Side Covers
- Remove the A-pillar center trim. Refer to => [ Center A-Pillar Trim ] Center A-Pillar Trim
- Remove the A-pillar upper trim. Refer to => [ Upper A-Pillar Trim ] Upper A-Pillar Trim.
Golf from MY 04
- Loosen the sill panel strips near the A-pillar lower trim and remove.
• 2-door: => [ Sill Panel Trim, 2-door ] Sill Panel Trim, 2-door
• 4-door: => [ Sill Panel Trim, 4-door ] Sill Panel Trim, 4-door
- Remove the lower trim from the A-pillar on the passenger side. Refer to => [ Lower A-Pillar Trim, Passenger Side ] Lower A-Pillar Trim, Passenger Side
- Remove the hood release lever.
- Remove the A-pillar lower trim on the driver side. Refer to => [ Lower A-Pillar Trim, Driver Side ] Lower A-Pillar Trim, Driver Side.
- Remove the center cover (Golf from MY 04).
- Remove center console:
- Remove instrument panel center vent:
- Remove instrument panel center trim.
Golf from MY 09
- Remove the trim in the center of the instrument panel (Golf from MY 09). Refer to => [ Trim, Instrument Panel, Center, Golf from MY 09 ] Trim, Instrument Panel, Center, Golf From MY 09
- Remove the trim around the A/C and heater controls (Golf from MY 09). Refer to => [ Trim, A/C and Heater Controls, Golf from MY 09 ] Trim, A/C and Heater Controls, Golf From MY 09
- Remove the center cover (Golf from MY 09).
• On the Golf from MY 09 it is not necessary to remove the center control in order to remove the instrument panel. The center console can be loosened and then pushed toward the rear.
- Loosen the center console:
• Basis (Golf from MY 09), refer to => [ Center Console, Basis, Golf from MY 09 ] Center Console, Basis, Golf From MY 09
• Highline (Golf from MY 09), refer to => [ Center Console, Highline, Golf from MY 09 ] Center Console, Highline, Golf From MY 09
All vehicles
- Remove the glove compartment. Refer to => [ Glove Compartment ] Glove Compartment
Vehicles with radio system
- Remove the radio.
Golf from MY 09
- Remove the storage compartment from the center of the instrument panel (Golf from MY 09). Refer to => [ Storage Compartment, Instrument Panel, Center, Golf from MY 09 ] Storage Compartment, Instrument Panel, Center, Golf From MY 09
All vehicles
Vehicles with Navigation
- Remove the navigation display and controls.
Vehicles with Climatic or Climatronic
- Remove controls for Climatic or Climatronic.
- If the vehicle has Climatic, disconnect the center outlet temperature sensor (G191) connector. If the vehicle has Climatronic, disconnect the left vent temperature sensor (G150) and right vent temperature sensor (G151) connectors.
Vehicles with heating
- Remove the heater controls.
Golf from MY 09
- Remove the center vent in the instrument panel (Golf from MY 09). Refer to => [ Vent, Instrument Panel, Center, Golf from MY 09 ] Vent, Instrument Panel, Center, Golf From MY 09
All vehicles
- Remove the steering column trim. Refer to => [ Steering Column Trim ] Steering Column Trim
- Remove the steering column electronics control module (J527).
- Remove the Airbag Spiral Spring/Return Spring With Slip Ring (F138).
- Remove the steering angle sensor (G85).
- Remove the turn signal switch (E2).
- Remove the windshield wiper switch (E).
- Remove the instrument cluster.
- Remove right trim panel on driver side. Refer to => [ Driver Side Left Trim ] Driver Side Left Trim
- Remove left trim panel on driver side. Refer to => [ Driver Side Right Trim ] Driver Side Right Trim
- Remove driver side footwell cover, if equipped. Refer to => [ Driver Side Footwell Cover ] Driver Side Footwell Cover
Vehicles with cell phone mount on instrument panel
- Disconnect the wiring harnesses from the cell phone mount.
All vehicles
- Remove the lower screw in the fuse holder on the driver side under the instrument panel.
- Remove the Sunlight Photo Sensor (G107) and the Sunlight Photo Sensor 2 (G134) if equipped.
Golf from MY 09
- Remove the knee airbag (Golf from MY 2009). Refer to => [ Knee Airbag, Golf from MY 09 ] Knee Airbag, Golf from MY 09
- Remove the two bolts - arrow - (1.5 Nm).

All vehicles
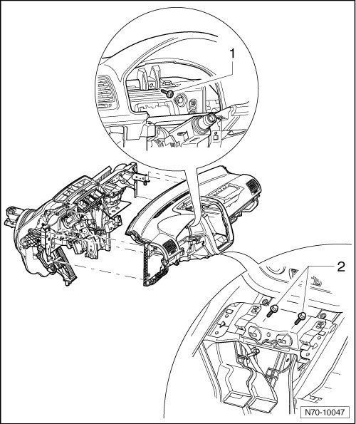
- Remove two bolts - 1 - (9 Nm) from front passenger airbag.
- Disconnect wiring harness from front passenger side airbag.
- Remove bolt - 2 - (3 Nm).
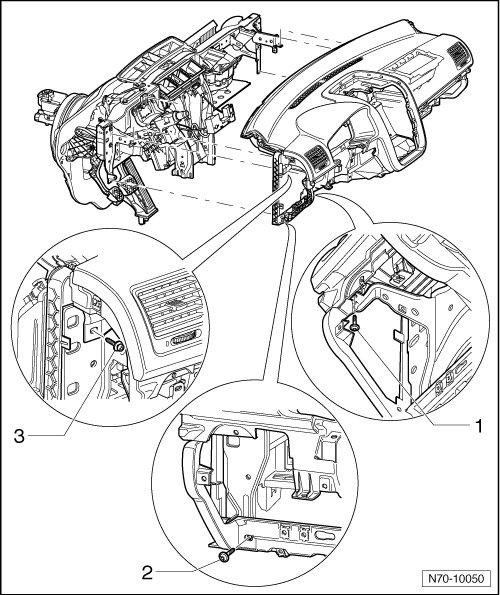
- Remove the bolts - 3 - and - 4 - (3 Nm).

- Remove bolt - 1 - (3 Nm).
- Remove two screws - 2 - (8 Nm) above tunnel.

- Remove the screws - 1 -, - 2 - and - 3 - (3 Nm).

- Pull instrument panel out of mounts - 1 - in windshield transition area.
- Depending on vehicle equipment, disconnect the corresponding wiring harnesses and remove instrument panel from vehicle with a second mechanic.
• When installing instrument panel, make sure that instrument panel is placed with exact fit into mounts - 1 -.

Installing
- Install in reverse order of removal.