Procedure 2
Center Console, Basis, Golf from MY 09
• On the Golf from MY 09 it is not necessary to remove the center control in order to remove the instrument panel. The center console can be loosened and then pushed toward the rear.
Detachment
- Switch off ignition.
Vehicles with automatic transmission
- Loosen the selector lever boot off the cover.
Vehicles with manual and DSG transmission
- Loosen the selector lever boot off the cover.
All vehicles
- Remove the trim in the center of the instrument panel (Golf from MY 09). Refer to => [ Trim, Instrument Panel, Center, Golf from MY 09 ] Trim, Instrument Panel, Center, Golf From MY 09
- Remove the trim around the A/C and heater controls (Golf from MY 09). Refer to => [ Trim, A/C and Heater Controls, Golf from MY 09 ] Trim, A/C and Heater Controls, Golf From MY 09
- Remove the center cover (Golf from MY 09).
- If the vehicle has a manual transmission, remove the noise insulation and shift mechanism - 3 - in the center console.
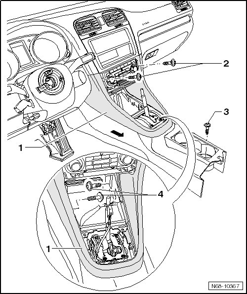
- Remove the two bolts - 2 - (1.5 Nm).
- Remove the ashtray - 1 - from center console and (depending on vehicle equipment) disconnect the wiring harnesses.
• The vehicle may have a storage compartment in place of an ashtray - 1 -. Removing the storage compartment is identical to removing the ashtray.

- Remove bolt - 1 - on both sides of the center console (1.5 Nm).
- It is not necessary to remove the footwell trim - 2 -.
- It is likewise not necessary to remove the trim in the right footwell.
• Make sure the footwell trim - 2 - fits securely in the mount - 3 - when installing the center console.

- Remove the two bolts - 4 - (1.5 Nm).
- Remove the liner from the center console and then remove the bolt - 3 - (1.5 Nm).
- Remove the two bolts - 2 - (1.5 Nm).
- Remove the cover on the center console - 1 - - in direction of arrow -.
• Install the bolts in the following sequence: - 2 -, - 3 - and - 4 -.

- Move the center console all the way to the rear.
Mounting
- Attachment is performed accordingly in the reverse order of removal.