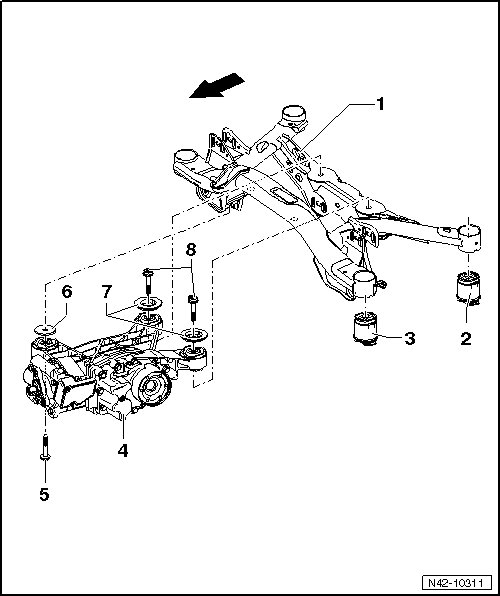
Subframe and Final Drive Assembly Overview
Subframe and Final Drive Assembly Overview
The - arrow - points in driving direction.

1 Subframe
2 Rear Bonded Rubber Bushing
• Replacing, refer to => [ Subframe Bonded Rubber Bushings ] Subframe Bonded Rubber Bushings.
3 Front Bonded Rubber Bushing
• Replacing, refer to => [ Subframe Bonded Rubber Bushings ] Subframe Bonded Rubber Bushings.
4 Final Drive
5 Bolt
• 60 Nm + 90° turn
• Always replace if removed.
6 Washer
• Installed between final drive and subframe.
7 Washer
• Washer must be placed with holes on tabs of bonded rubber bushing.
8 Bolt
• 60 Nm + 90° turn
• Always replace if removed.