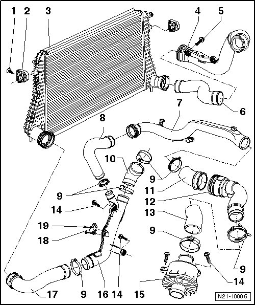
Charge Air Cooler System Overview
Charge Air Cooler System Overview
The charge air pipe clamps must be tightened to 5.5 Nm. An insufficient or excessive tightening torque can cause the charge air hose to come off the charge air pipe while driving.
• The noise generator is not installed on all vehicles. From MY 2010, the noise generator is being replaced by the structure-borne sound actuator.

1 Bolt
• 5 Nm
2 Mount
• For the charge air cooler.
3 Charge Air Cooler
• Removing and installing, refer to => [ Charge Air Cooler ] Charge Air Cooler.
4 Charge Air Pipe
5 Bolt
• 10 Nm
6 Charge Air Hose
• Disconnecting and connecting, refer to => [ Charge Air Hose, Disconnecting and Connecting ] Charge Air Hose, Disconnecting and Connecting.
7 Charge Air Pipe
• To the noise generator.
8 Charge Air Hose
• Disconnecting and connecting, refer to => [ Charge Air Hose, Disconnecting and Connecting ] Charge Air Hose, Disconnecting and Connecting.
9 Clamp
10 Charge Air Hose
• To the throttle valve control module.
11 Charge Air Hose
12 Charge Air Pipe
13 Charge Air Hose
14 Bolt
• 8 Nm
15 Noise Generator
• Overview, => [ Noise Generator Overview ] Noise Generator Overview.
16 Charge Air Pipe
17 Charge Air Hose
• Disconnecting and connecting, refer to => [ Charge Air Hose, Disconnecting and Connecting ] Charge Air Hose, Disconnecting and Connecting.
18 Charge Air Pressure Sensor (G31)
19 Bolt
• 5 Nm