Parking Brake Lever: Service and Repair
Parking Brake Lever Overview

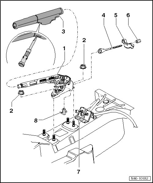
1 Parking Brake Lever
• Remove the center console before removing.
2 Nut
• 15 Nm
3 Trim, for the Parking Brake Lever
• Pry out the release tab in the rear bottom area of the handle - magnified area - with a screwdriver, then remove the trim forward.
• On a leather version, the leather in the catch area is cut.
4 Pull Rod
• Riveted to the parking brake lever.
5 Equalizer
6 Adjusting Nut
• Adjusting the parking brake, refer to => [ Parking Brake, Adjusting ] Adjustments.
7 Parking Brake Cables
• Removing and installing, refer to => [ Parking Brake Cable ] Service and Repair.
8 Park Brake Switch