2.0L CJAA TDI
Engine Management System
2.0L CJAA TDI
Fuel System Assembly Overview

6 - Fuel Pressure Regulator Valve -N276-
7 - Rail Element (High Pressure Reservoir)
8 - Fuel Temperature Sensor -G81-
10 - Fuel High Pressure Pump => [ ]
• With Fuel Metering Valve -N290-
13 - Fuel Supply Line
• From Auxiliary Fuel Pump -V393- /Fuel pump 2 -V277- => [ Auxiliary Fuel Pump ]
14 - Fuel Pressure Sensor -G247- => [ Fuel Pressure Sensor and Fuel Injector ]
20 - Fuel Injection Unit => [ Fuel Pressure Sensor and Fuel Injector ]
Intake Manifold Assembly Overview

1 - Intake Manifold
• With Intake Flap Motor -V157-
9 - Throttle Valve Control Module -J338-
13 - EGR Vacuum Regulator Solenoid Valve -N18-
• With EGR Potentiometer -G212-
Air Filter Assembly Overview

2 - Mass Air Flow (MAF) Sensor -G70-
Turbocharger Assembly Overview

5 - Vacuum Hose => [ Vacuum Hose ]
• To Wastegate Bypass Regulator Valve -N75-
6 - Vacuum Diaphragm => [ Vacuum Hose ]
• With Charge Pressure Actuator Position Sensor -G581-
• Unit with turbocharger and exhaust manifold (cannot be replaced separately)
14 - Turbocharger
• Unit with exhaust manifold and vacuum diaphragm (cannot be replaced separately)
35 - Intake Scoop
• With Positive Crankcase Ventilation (PCV) Heating Element -N79-
37 - Exhaust Gas Temperature (EGT) Sensor 1 -G235-
A - EGR cooler switch-over valve -N345-
• Located on top of EGR valve
Charge Air Cooler Components Overview

3 - Charge Air Cooler
6 - To Throttle Valve Control Module -J338-
8 - Charge Air Pressure Sensor -G31-
Integrated with Intake Air Temperature (IAT) Sensor -G42-
Cooling System Component Engine Side

5 - Engine Coolant Temperature (ECT) Sensor -G62-
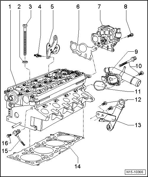
Cylinder Head Assembly Overview

15 - Camshaft Position (CMP) Sensor -G40-
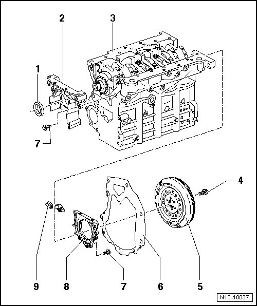
Flywheel Assembly Overview

9 - Engine Speed (RPM) Sensor -G28-
Oil Filter Bracket and Oil Cooler Assembly Overview

7 - Oil Pressure Switch -F1-
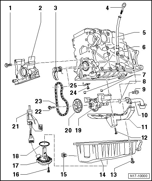
Oil Pump and Oil Pan Assembly Overview

17 - Oil Level Thermal Sensor -G266-
Particulate Filter with NOx Absorption Catalytic Converter
Overview

1 - Exhaust Pressure Sensor 2 -G451-
• Located near oil filler neck
8 - Heated Oxygen Sensor (HO2S) -G39-
12 - Exhaust Gas Temperature (EGT) Sensor 4 -G648-
15 - To Exhaust Flap Control Module -J883-
16 - Oxygen Sensor (O2S) Behind Three Way Catalytic Converter (TWC) -G130-
17 - NOx Reduction Catalytic Converter
22 - Exhaust Gas Temperature (EGT) Sensor 2 -G448-
23 - Exhaust Gas Temperature (EGT) Sensor 3 -G495-
33 - Exhaust Pressure Sensor 1 -G450- /Differential pressure sensor -G505-
• Bolted to auxiliary fuel pump -V393 - bracket
Exhaust Gas Recirculation System Overview

14 - EGR Valve 2 -N213-
17 - EGR Temperature Sensor -G98-
Exhaust Flap Control Module Overview

4 - Exhaust Flap Control Module -J883-
5 - Reduction Catalytic Converter
Fuel High Pressure Pump

1 - Fuel Temperature Sensor -G81-
2 - Fuel Metering Valve -N290- on the high pressure fuel pump
Fuel Pressure Sensor and Fuel Injector

A - Cylinder 1 through 4 fuel injector
- Cylinder 1 Fuel Injector -N30-
- Cylinder 2 Fuel Injector -N31-
- Cylinder 3 Fuel Injector -N32-
- Cylinder 4 Fuel Injector -N33-
C - Fuel Pressure Sensor -G247-
Auxiliary Fuel Pump

1 - Auxiliary Fuel Pump -V393- /Fuel pump 2 -V277- connector
Vacuum Hose

1 - Vacuum Diaphragm
Integrated with Charge Pressure Actuator Position Sensor -G581-
• Located at the turbocharger
2 - Wastegate Bypass Regulator Valve -N75-
Alarm Horn

3 - Alarm Horn -H12-
- Located at the right on the A-pillar in the fender