Shift Lever and Housing, From 11.06
Shift Lever and Housing, from 11.06
• Lubricate the bearing areas and the sliding surfaces.
• Grease allocation, refer to the Parts Catalog.
• Selector mechanism disassembly and assembly. Refer to => [ Selector Mechanism ] Selector Mechanism.

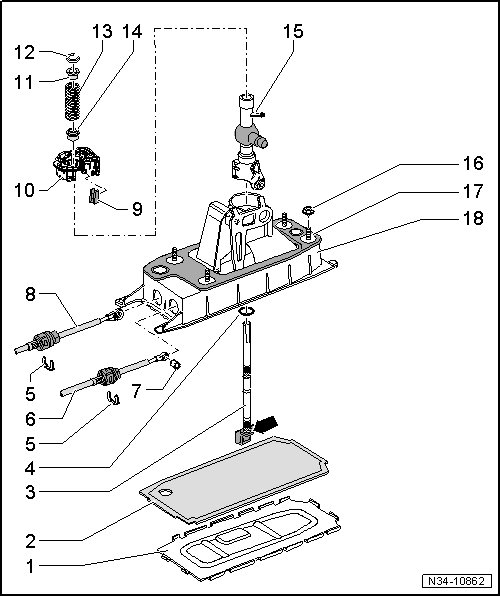
1 Base Plate
• Bend the tabs down in order to remove.
• Always replace.
• Attaching, refer to => [ Attaching the Base Plate to the Shift Housing ] Selector Mechanism.
2 Gasket
• Always replace.
3 Selector Lever
• Can be removed and installed with the shift lever guide (- item 15 -) installed.
4 Washer
• Slide onto the shift lever as far as the stop - arrow -.
5 Lock Washer
• Be careful not to damage the cables when removing them.
• Always replace.
6 Selector Cable
• Pry off of the selector bracket.
• Press onto the selector bracket inside the shift mechanism.
• Installed position, refer to => [ Shift Mechanism, Installed Position ] Shift Mechanism, Installed Position.
7 Bushing
8 Shift Cable
• Pry off of the shift lever guide.
• Press onto the shift lever guide inside the shift mechanism.
• Installed position, refer to => [ Shift Mechanism, Installed Position ] Shift Mechanism, Installed Position.
9 Insulation
10 Bearing Shell
• Will get damaged when being removed.
• Always replace.
11 Bushing
12 Lock Washer
• Removing and installing, refer to => [ Lock Washer, Removing and Installing ].
13 Pressure Spring
14 Bushing
15 Shift Lever Guide
16 Nut
• M6: 8 Nm
• M8: 25 Nm
• Quantity: 4
17 Gasket
• Between the shift housing and the underbody.
• With self adhesive.
• Affix to the shift housing.
18 Shift Housing
• With the pressure spring and selector bracket.
• The pressure spring and selector bracket cannot be removed.
Lock Washer, Removing and Installing

- Push the bushing - arrow B - all the way down in the - direction of arrow C - and remove or install the lock washer - arrow A -.
• Do not tilt the bushing when pushing it down.
• The slot in the lever for the circlip must be visible.
• Carefully release the tension on the spring.