Accelerator Pedal Module
Accelerator Pedal Module
Special tools, testers and auxiliary items required
• Release Tool (T10238)
Removing
- Remove the steering column cover retainers - arrows - and cover.

- Pry out the cap - 3 - with a screwdriver.

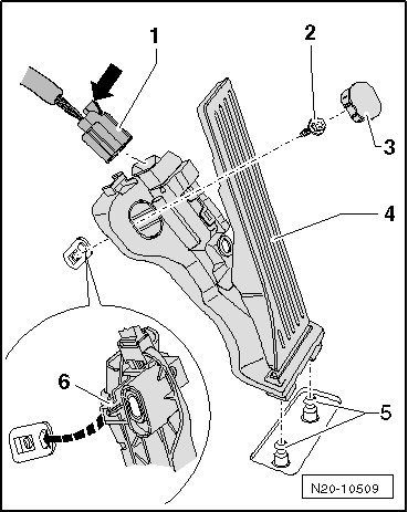
- Remove the bolt - 2 -.
- Disconnect the connector - 1 - - arrow - from the accelerator pedal module.
- Slide the release tool (T10238) as shown into openings designated for it until it stops and remove accelerator pedal module.

• The release tool must be slightly raised at an angle of approximately 30° and then lightly pushed in for the Tiguan.
Installing
- Connect the connector - 1 - to the accelerator pedal module - 4 -. Lock the connector - arrow -.

- Press the accelerator pedal module onto the retaining pins - 5 -.
- Insert the centering pin - 6 - into the hole on the vehicle floor.
- Secure the accelerator pedal module with the bolt - 2 - and install the cap - 3 -.
- Install the cover for the steering column and the retainers - arrows -.

Tightening Specifications
