Circuit Breaker: Locations
Fuses
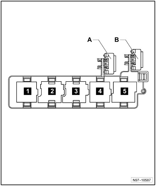
Circuit breaker under instrument panel, driver side, through May 2010

1 Driver power seat adjustment circuit breaker 1 -S44- A
2 Not used -B-
Circuit breaker under instrument panel, driver side, from May 2010

1 - Not used
2 - Driver power seat adjustment circuit breaker -S44-