Passive Occupant Detection System Components, Manual Seats, Removing
Passive Occupant Detection System Components, Manual Seats, Removing
Observe safety precautions when working on seat occupied recognition. Refer to => [ Passive Occupant Detection System, Safety Precautions ] Passive Occupant Detection System, Safety Precautions.
• Seat cushion, mat for seat occupied recognition, control module and pressure sensor must only be replaced together. Components are complementary and must not be separated!
• Only the wiring harnesses mentioned in the following description may be separated!
- Mount the fixture for seat repair (VAS 6136) on the engine and transmission holder (VAS 6095).
- Remove the front seat. Refer to => [ Front Seat ] Front Seat.
- Attach the seat to the fixture for seat repair (VAS 6136).
- Remove the front seat belt latch:
• 2-door vehicle, refer to => [ Belt Latch, 2-door ] Belt Latch, 2-Door.
• 4-door vehicle, refer to => [ Belt Latch, 4-door ] Belt Latch, 4-Door.
- Remove right trim on seat:
• Seat without a pass-through, refer to => [ Right Seat Trim ] Right Seat Trim.
• Seat with a pass-through, refer to => [ Trim, Right, Seat with Pass-Through ] Trim, Right, Seat With Pass-Through.
- Remove left trim on seat:
• Seat without a pass-through, refer to => [ Left Seat Trim ] Left Seat Trim.
• Seat with a pass-through, refer to => [ Left Seat Trim with Pass-Through ] Left Seat Trim With Pass-Through.
- Remove bracket and front seat operating lever. Refer to => [ Front Seat Support and Operating Lever ] Front Seat Support and Operating Lever.
- If present, remove mount for seat drawer. Refer to => [ Seat Drawer Mount ] Seat Drawer Mount.
- Remove the front seat backrest. Refer to => [ Left Front Seat Backrest ] Left Front Seat Backrest.
- Remove the cover from the seat cushion. Refer to => [ Front Seat Pan Covers and Cushion ] Front Seat Pan Covers and Cushion.
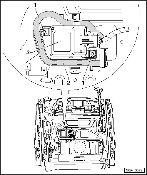
- Disconnect the connector from the passenger occupant detection system control module (J706).
- Remove the passenger occupant detection system pressure sensor (G452).
- Disconnect the connector from the passenger occupant detection system pressure sensor (G452).
- Unclip pressure hose - 2 - from retainers.
- Remove the screws - 1 - (1.5 Nm) and the passenger occupant detection system control module (J706) - 3 -.

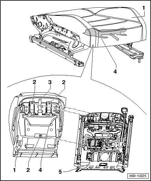
- Lift the seat cushion - 1 -. When doing this do not separate the seat cushion from the passenger occupant detection system mat - 4 -.
- Remove the clips - 2 - from the lower seat frame - 5 -. Do not remove clip - 3 -.
• The seat cushion, the mat for the passenger occupant detection system, the pressure hose, the passenger occupant detection system pressure sensor (G452) and the passenger occupant detection system control module (J706) are calibrated together and may not be used with other components.
- Remove the seat cushion and the mat for the passenger occupant detection system from the lower seat frame.
- Guide the pressure hose and the passenger occupant detection system pressure sensor (G452) through the opening inside the lower seat frame.
