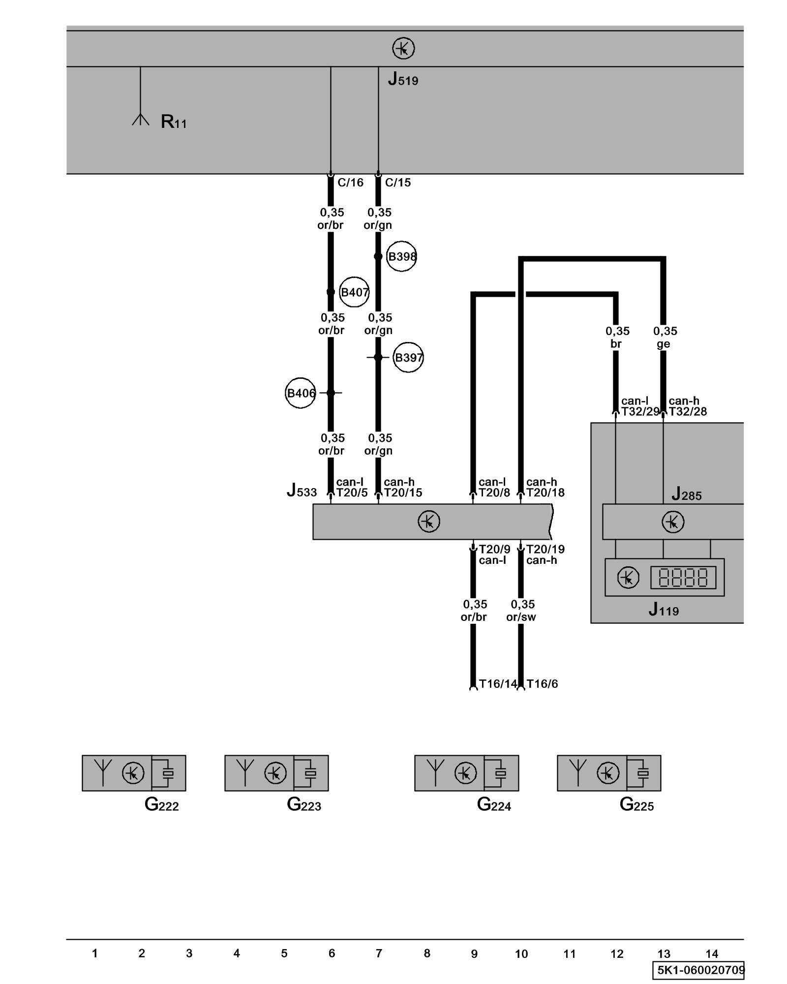
Diagram 60/2 (Tracks 1-14)
IMPORTANT NOTE:
This manufacturer uses "Track" style wiring diagrams.
For information on how to use these diagrams effectively, please refer to Diagram Information and Instructions. Diagram Information and Instructions
Instrument Cluster, Data Bus On Board Diagnostic Interface, Data Link Connector (DLC), Antenna, Tire Pressure Monitoring Sensors

ws = white
sw = black
ro = red
br = brown
gn = green
bl = blue
gr = grey
li = lilac
ge = yellow
or = orange
rs = pink
J119 - Multi-function Indicator
J519 - Vehicle Electrical System Control Module Control modules in front part of vehicle - Overview of Control Modules
J533 - Data Bus On Board Diagnostic Interface, in left footwell, near center console Control modules in front part of vehicle - Overview of Control Modules
G222 - Left Front Tire Pressure Monitoring Sensor
G223 - Right Front Tire Pressure Monitoring Sensor
G224 - Left Rear Tire Pressure Monitoring Sensor
J519 - Vehicle Electrical System Control Module Control modules in front part of vehicle - Overview of Control Modules
R11 - Antenna
T16 - 16-Pin Connector, under instrument panel, left, Data Link Connector (DLC)
T20 - 20-Pin Connector
T32 - 32-Pin Connector
(B397) - Comfort System CAN-Bus High Connection 1 (in main wiring harness)
(B398) - Comfort System CAN-Bus High Connection 2 (in main wiring harness)
(B406) - Comfort System CAN-Bus Low Connection 1 (in main wiring harness)
(B407) - Comfort System CAN-Bus Low Connection 2 (in main wiring harness)