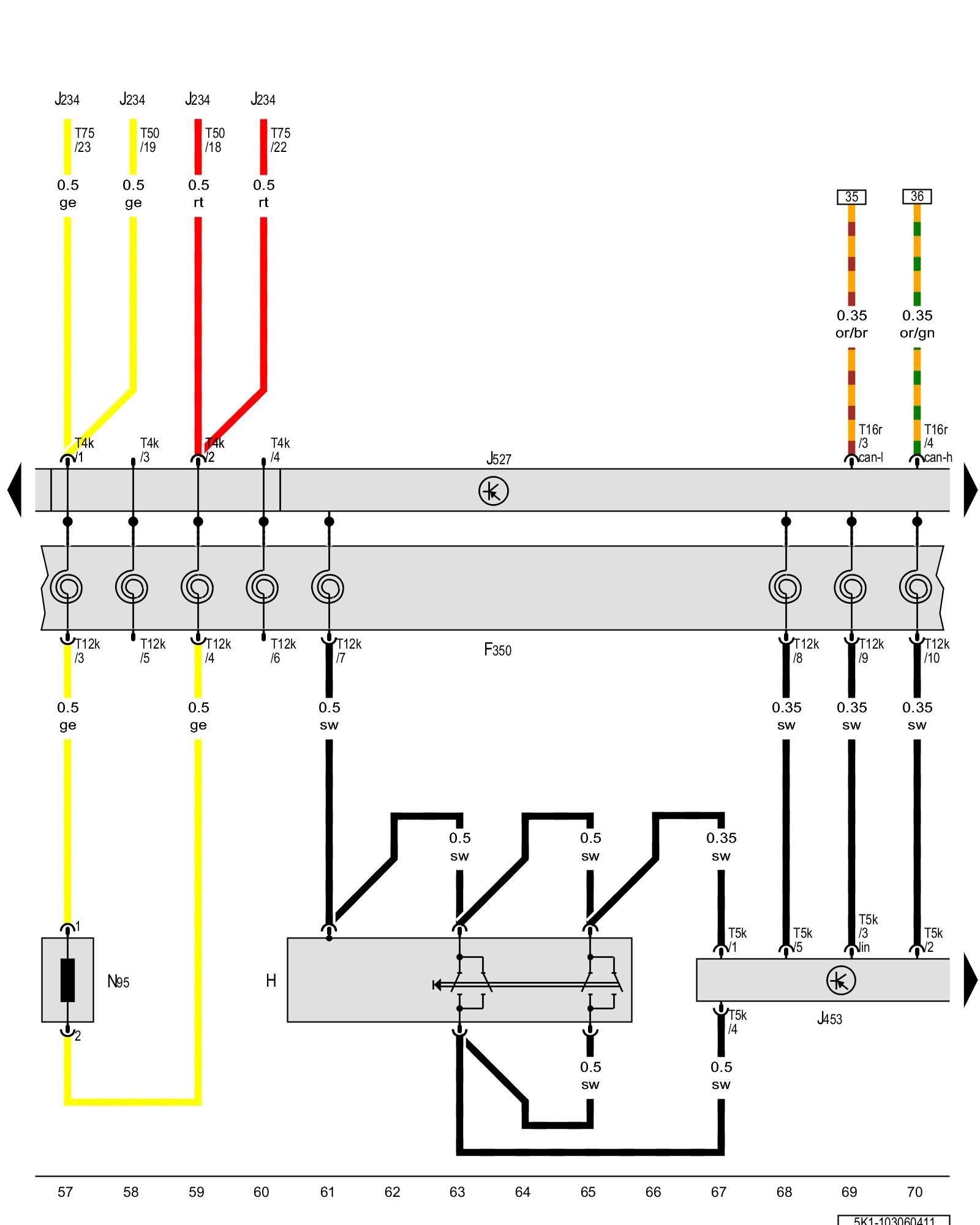
Diagram 103/6 (Tracks 57-70)
IMPORTANT NOTE:
This manufacturer uses "Track" style wiring diagrams.
For information on how to use these diagrams effectively, please refer to Diagram Information and Instructions. Diagram Information and Instructions
Signal horn activation, Multifunction steering wheel control module, Steering column electronics control module, Driver airbag igniter

ws = white
sw = black
ro = red
br = brown
gn = green
bl = blue
gr = grey
li = lilac
ge = yellow
or = orange
rs = pink
F350 - Spiral spring
H - Signal horn activation
J234 - Airbag control module Control modules in front part of vehicle - Overview of Control Modules
J453 - Multifunction steering wheel control module, in the steering wheel
J527 - Steering column electronics control module Control modules in front part of vehicle - Overview of Control Modules
N95 - Driver airbag igniter Airbag Systems Overview
T4k - 4-pin connector
T5k - 5-pin connector
T12k - 12-pin connector
T16r - 16-pin connector
T50 - 50-pin connector
T75 - 75-pin connector
Previous Diagram 103/5 (Tracks 43-56)
Next Diagram 103/7 (Tracks 71-84)