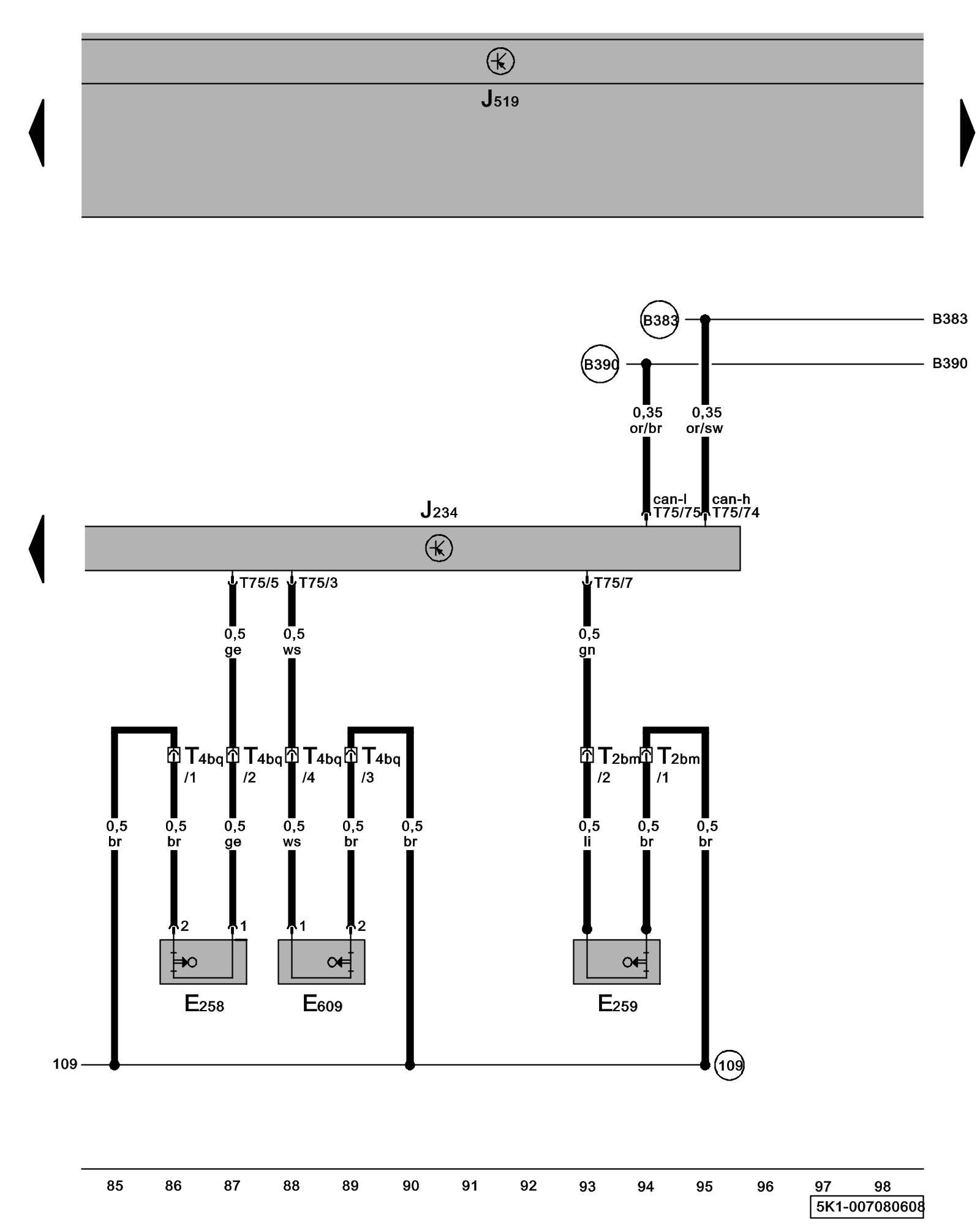
Diagram 7/8 (Tracks 85-98)
IMPORTANT NOTE:
This manufacturer uses "Track" style wiring diagrams.
For information on how to use these diagrams effectively, please refer to Diagram Information and Instructions. Diagram Information and Instructions
Airbag Control Module, Rear Seat Belt Switch

ws = white
sw = black
ro = red
br = brown
gn = green
bl = blue
gr = grey
li = lilac
ge = yellow
or = orange
rs = pink
E258 - Rear Seat Belt Switch (on Driver Side)
E259 - Rear Seat Belt Switch (on Front Passenger Side)
E609 - Rear Center Seat Belt Switch
J234 - Airbag Control Module, behind lower console Control modules in front part of vehicle - Overview of Control Modules
J519 - Vehicle Electrical System Control Module Control modules in front part of vehicle - Overview of Control Modules
T2bm - Double Connector, below rear seat
T4bq - 4-Pin Connector, below rear seat
T75 - 75-Pin Connector
(109) - Ground Connection (in airbag wiring harness)
(B383) - Powertrain CAN-Bus High Connection 1 (in main wiring harness)
(B390) - Powertrain CAN-Bus Low Connection 1 (in main wiring harness)
Previous Diagram 7/7 (Tracks 71-84)
Next Diagram 7/9 (Tracks 99-112)