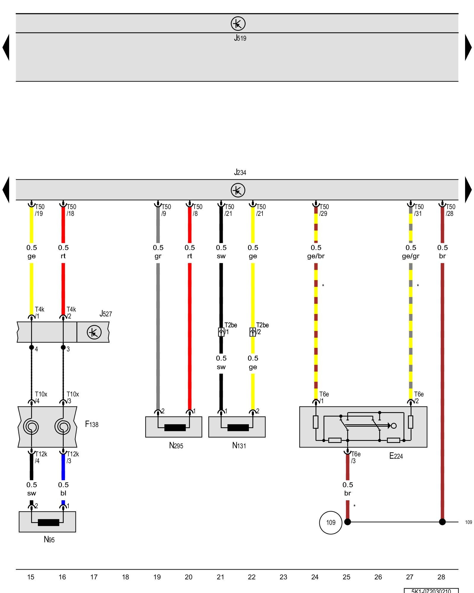
Diagram 72/3 (Tracks 15-28)
IMPORTANT NOTE:
This manufacturer uses "Track" style wiring diagrams.
For information on how to use these diagrams effectively, please refer to Diagram Information and Instructions. Diagram Information and Instructions
Front passenger airbag deactivation key switch, Airbag control module, Steering column electronics control module, Driver airbag igniter, Front passenger airbag igniter 1, Driver knee airbag igniter

ws = white
sw = black
ro = red
br = brown
gn = green
bl = blue
gr = grey
li = lilac
ge = yellow
or = orange
rs = pink
E224 - Front passenger airbag deactivation key switch
F138 - Airbag spiral spring/return spring with slip ring Airbag Systems Overview
J234 - Airbag control module, behind the center console Control modules in front part of vehicle - Overview of Control Modules
J519 - Vehicle electrical system control module Control modules in front part of vehicle - Overview of Control Modules
J527 - Steering column electronics control module Control modules in front part of vehicle - Overview of Control Modules
N95 - Driver airbag igniter Airbag Systems Overview
N131 - Front passenger airbag igniter 1 Airbag Systems Overview Front Pass Airbag Igniter 1 -N131- and Front Pass Airbag Igniter 2 -N132-
N295 - Driver knee airbag igniter Airbag Systems Overview
T2be - Double connector
T4k - 4-pin connector
T6e - 6-pin connector
T10x - 10-pin connector
T12k - 12-pin connector
T50 - 50-pin connector
(109) - Ground connection (in airbag wiring harness)
* - Only on vehicles with front passenger airbag deactivation key switch
Previous Diagram 72/2 (Tracks 1-14)
Next Diagram 72/4 (Tracks 29-42)